LEMON Manuals: Even more car manuals for everyone
Home >> GMC >> 2005 >> Jimmy Part Time, Automatic >> Repair and Diagnosis >> Body & Frame >> Door Locks >> Keyless Entry System >> Schematic and Routing Diagrams >> Keyless Entry Schematics

Keyless Entry Schematics

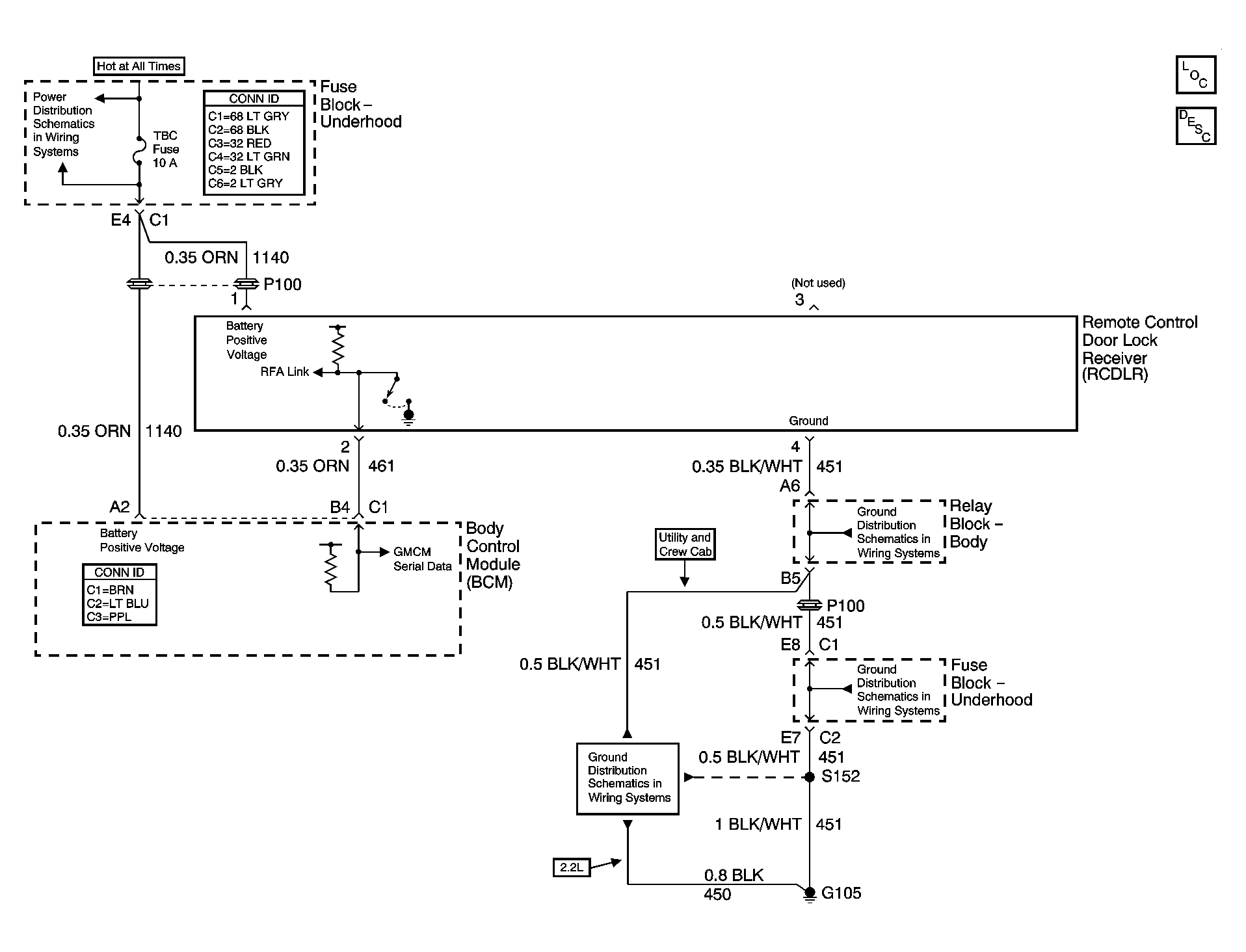
Fig 1: Keyless Entry Schematic
GM755920Courtesy of GENERAL MOTORS CORP.