LEMON Manuals: Even more car manuals for everyone
Home >> GMC >> 2004 >> Jimmy 2D Utility, Part Time, Standard >> Repair and Diagnosis >> External Pages >> Different variant/trim >> Section 4 (Shift Interlock System) >> Schematic and Routing Diagrams >> Automatic Transmission Shift Lock Control Schematics

Automatic Transmission Shift Lock Control Schematics

WARNING: This page is about a different variant/trim than selected.
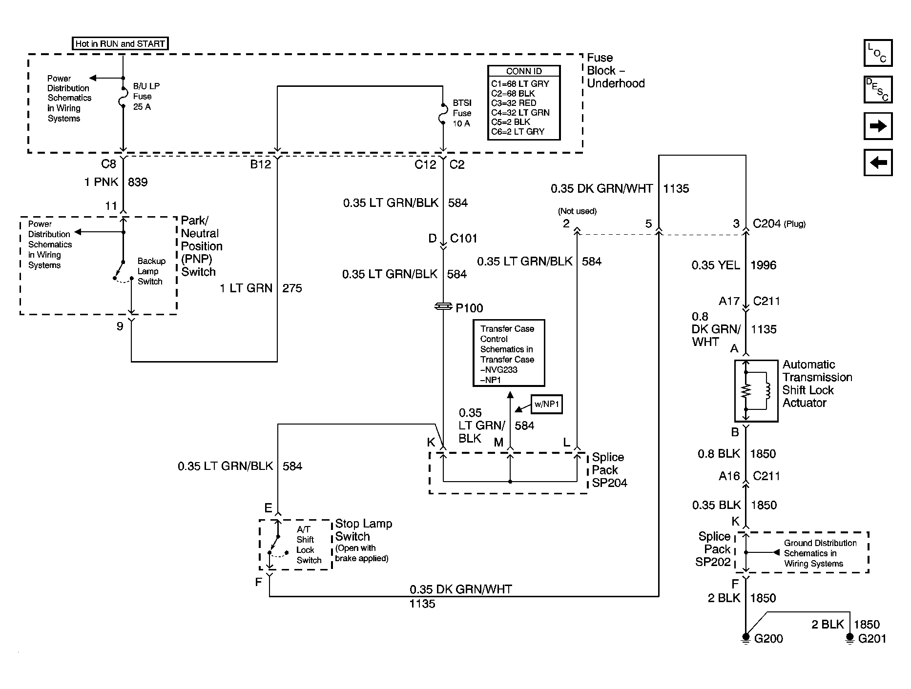
Fig 1: Pickup w/Column Shift
GM901513Courtesy of GENERAL MOTORS CORP.
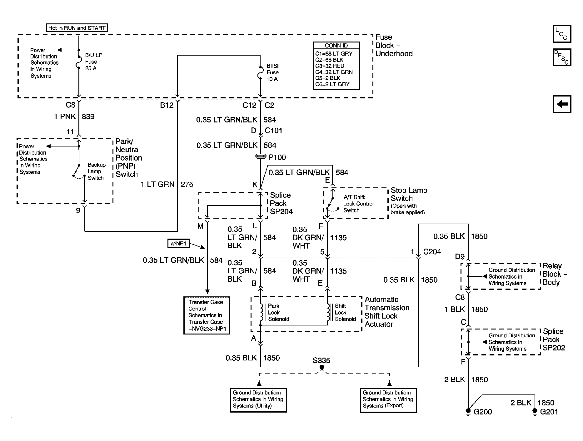
Fig 2: Crew Cab and Utility w/Column Shift
GM901514Courtesy of GENERAL MOTORS CORP.
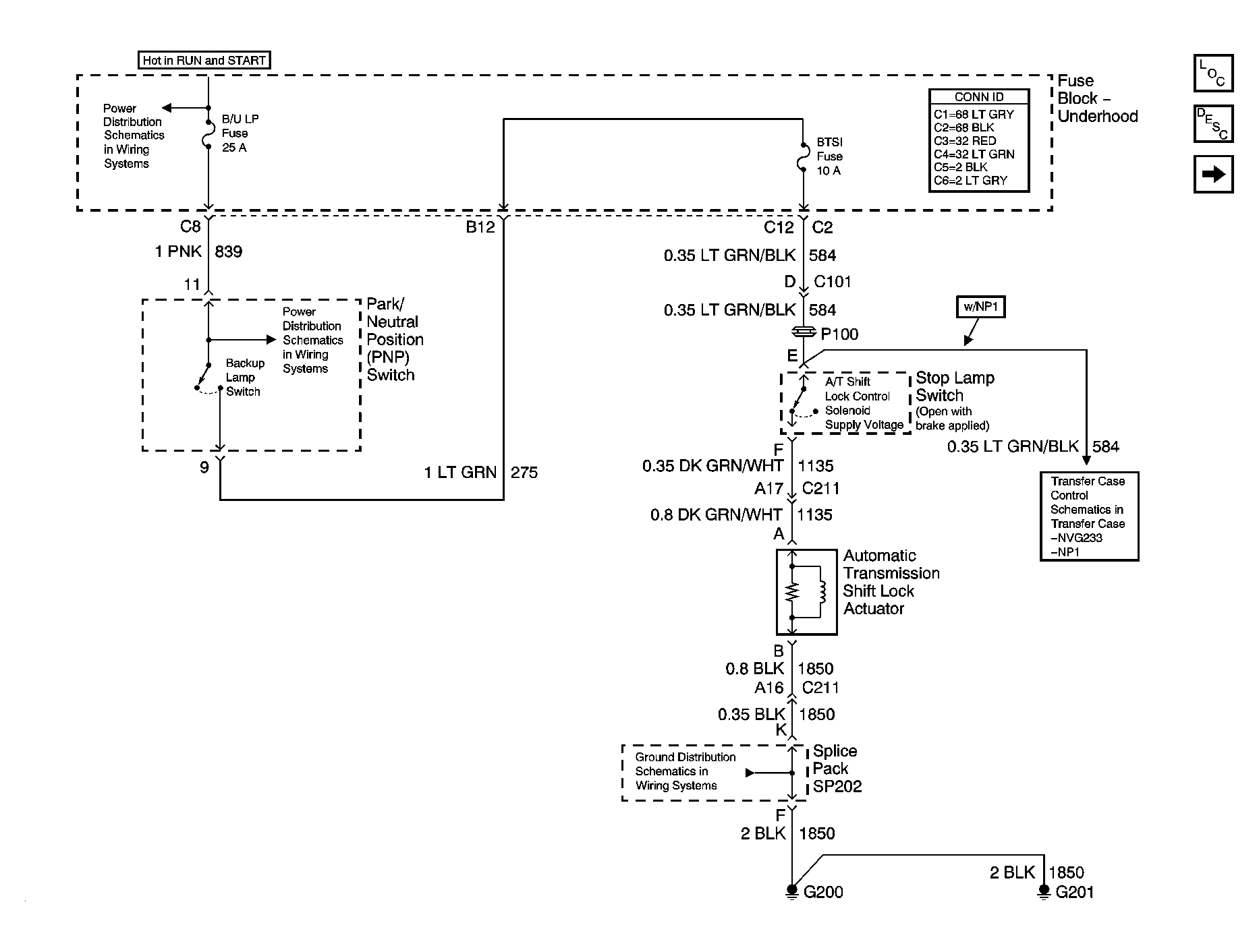
Fig 3: Utility w/Floor Shift
GM901515Courtesy of GENERAL MOTORS CORP.