LEMON Manuals: Even more car manuals for everyone
Home >> GMC >> 2004 >> Jimmy 2D Utility, Part Time, Automatic >> Repair and Diagnosis >> Engine Performance >> System >> Engine Control System - 4.3L (Introduction) >> Repair Instructions >> Fuel Tank Pressure Sensor Replacement (Utility/Crew Cab) >> Installation Procedure

Installation Procedure

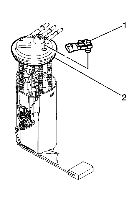
    Fig 1: View Of Fuel Tank Pressure Sensor
    GM64998Courtesy of GENERAL MOTORS CORP.
  1. Install the fuel tank pressure sensor (1) on the fuel sender assembly (2).
  2. Connect the fuel tank pressure sensor electrical connector.
  3. Install the fuel tank. Refer to Fuel Tank Replacement (Pickup) Fuel Tank Replacement (2-Door Utility)  or Fuel Tank Replacement (4-Door Utility) .
  4. Refill the fuel tank.
  5. Install the fuel filler cap.
  6. Connect the negative battery cable.
  7. Inspect for leaks.
    1. Turn ON the ignition for 2 seconds.
    2. Turn OFF the ignition for 10 seconds.
    3. Turn ON the ignition.
    4. Inspect for fuel leaks.