LEMON Manuals: Even more car manuals for everyone
Home >> GMC >> 2004 >> Jimmy 2D Utility, Part Time, Automatic >> Repair and Diagnosis >> Body & Frame >> Windows >> Door System, Mirror System & Window System >> Schematic and Routing Diagrams >> Power Window Schematics

Power Window Schematics

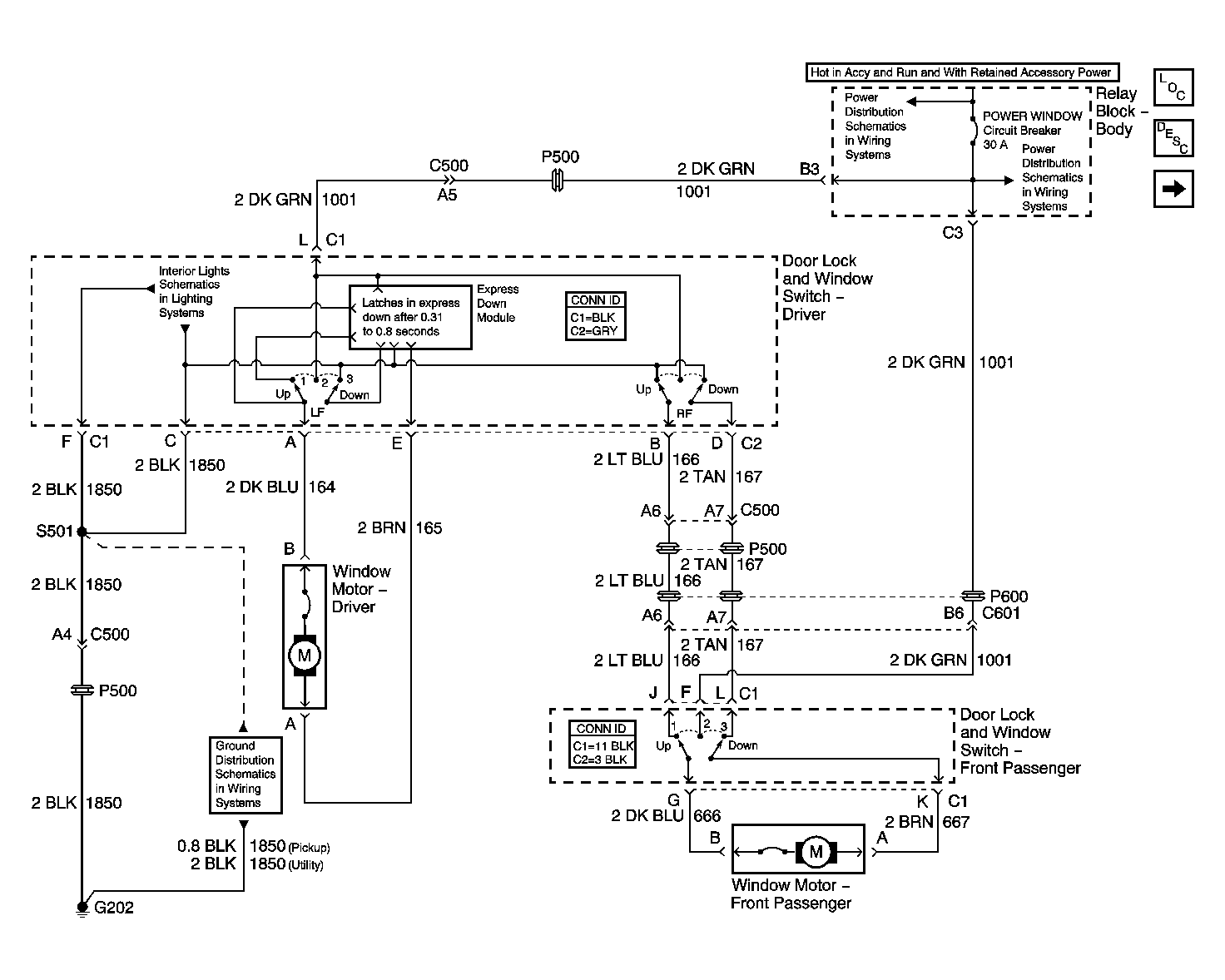
Fig 1: Front Side Window Motors Schematic - 2-Door
GM755915Courtesy of GENERAL MOTORS CORP.
Fig 2: Front Side Window Motors Schematic - 4-Door
GM755916Courtesy of GENERAL MOTORS CORP.
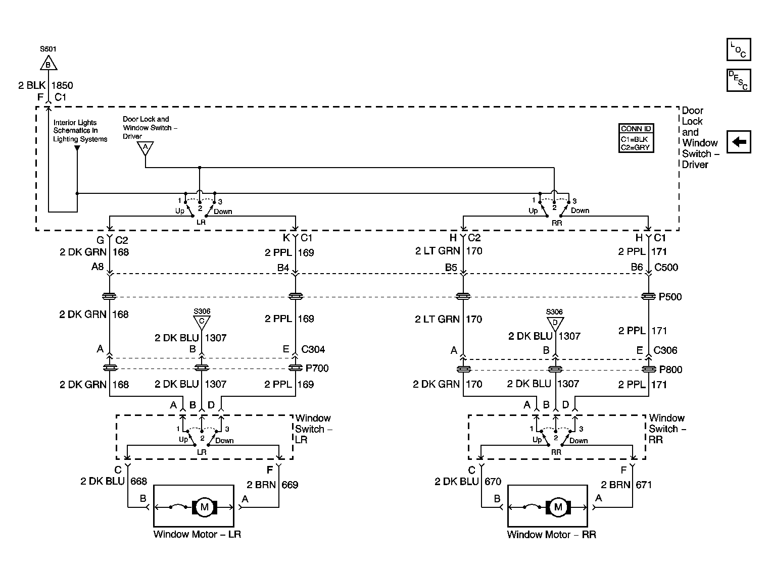
Fig 3: Rear Side Window Motors Schematic
GM755917Courtesy of GENERAL MOTORS CORP.