LEMON Manuals: Even more car manuals for everyone
Home >> GMC >> 2003 >> Jimmy 2D Utility, Part Time, Standard >> Repair and Diagnosis >> Transmission >> Automatic Trans >> Shift Interlock System >> Schematic and Routing Diagrams >> Automatic Transmission Shift Lock Control Schematics

Automatic Transmission Shift Lock Control Schematics

Fig 1: Automatic Transmission Shift Lock Control Schematics (PNP Switch & A/T Shift Lock Actuator - Pickup W/ Column Shift)
G01979617Courtesy of GENERAL MOTORS CORP.
Fig 2: Automatic Transmission Shift Lock Control Schematics (PNP Switch & A/T Shift Lock Actuator - Crew Cab & Utility W/ Column Shift)
G01979618Courtesy of GENERAL MOTORS CORP.
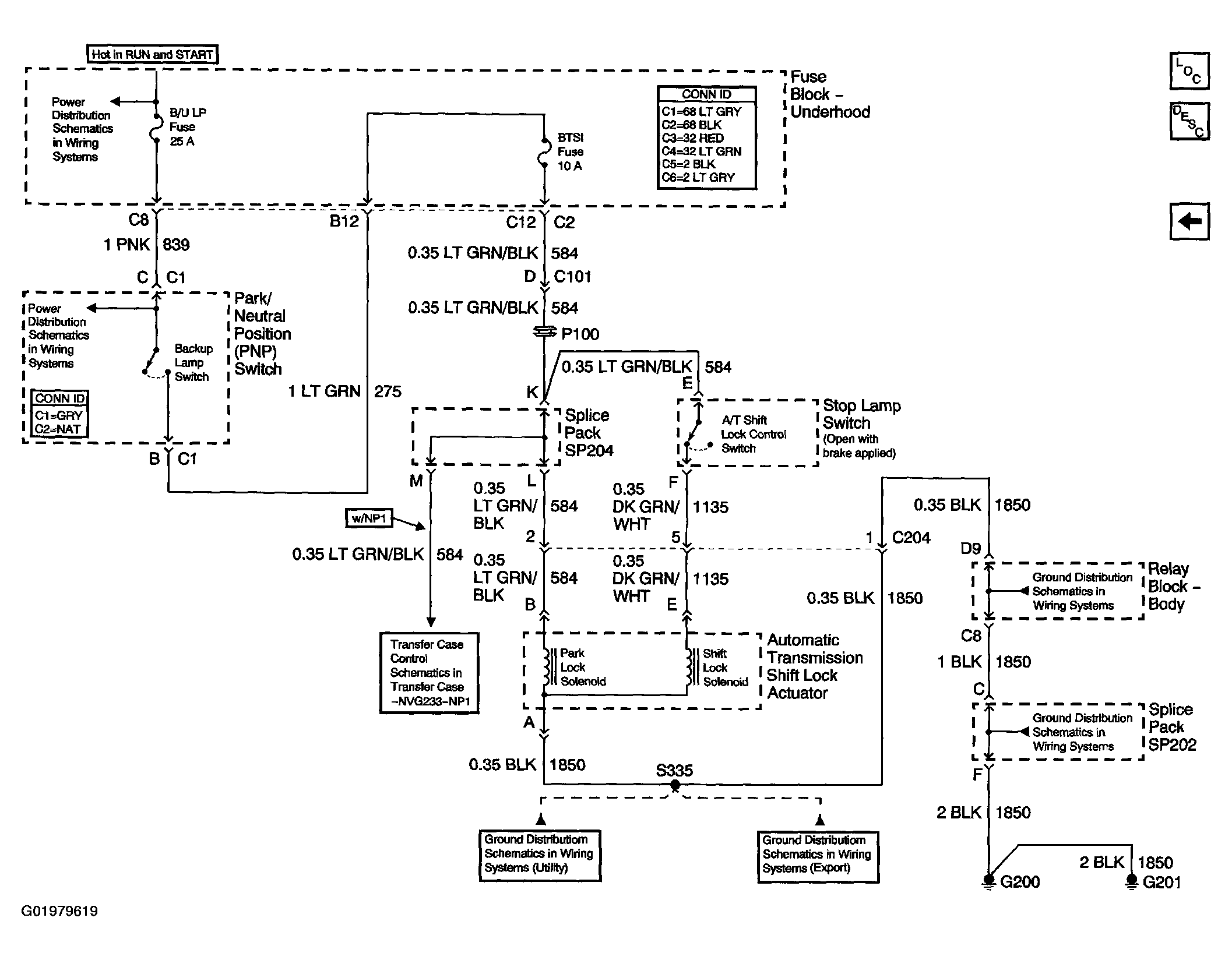
Fig 3: Automatic Transmission Shift Lock Control Schematics (PNP Switch & A/T Shift Lock Actuator - Utility W/ Floor Shift)
G01979619Courtesy of GENERAL MOTORS CORP.