LEMON Manuals: Even more car manuals for everyone
Home >> GMC >> 2003 >> Jimmy 2D Utility, Part Time, Standard >> Repair and Diagnosis >> External Pages >> Different car >> Section 134 (Data Link Communication System) >> Schematic and Routing Diagrams >> Data Link Connector (DLC) Schematics

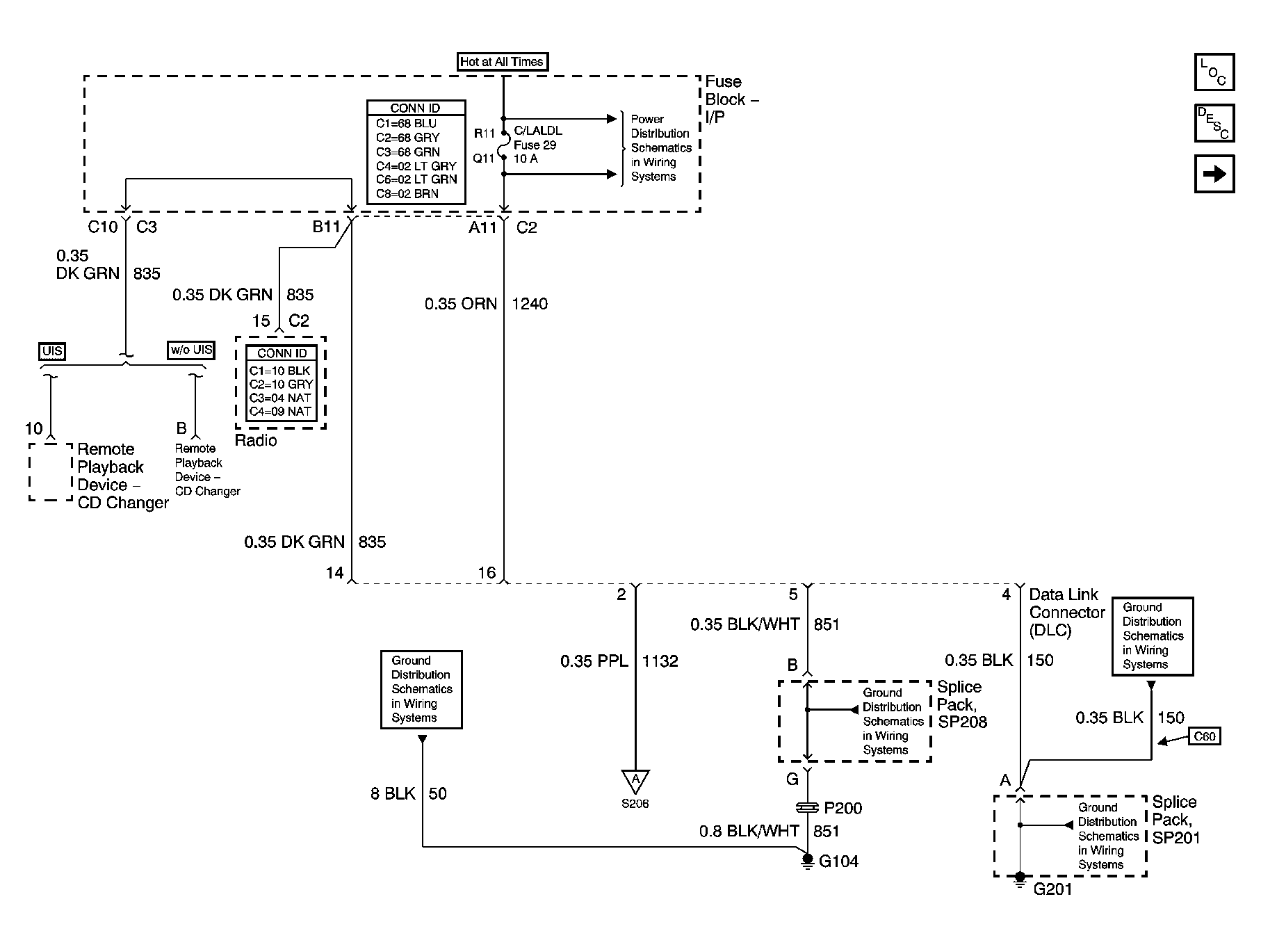
Data Link Connector (DLC) Schematics

WARNING: This page is about a different car, the 2004 Chevrolet Corvette. However, it is still accessible from the selected car via links, so may be relevant.
Fig 1: Power And Ground Schematic
GM688280Courtesy of GENERAL MOTORS CORP.
Fig 2: Star Connectors Schematic
GM872302Courtesy of GENERAL MOTORS CORP.