LEMON Manuals: Even more car manuals for everyone
Home >> GMC >> 2002 >> Jimmy 2D Utility, Part Time, Standard >> Repair and Diagnosis >> External Pages >> Different car >> Section 1657 (Data Link Communication System) >> Schematic and Routing Diagrams >> Data Link Connector (DLC) Schematics

Data Link Connector (DLC) Schematics

WARNING: This page is about a different car, the 2002 Oldsmobile Bravada, 2002 GMC Envoy XL, 2002 GMC Envoy, and 2002 Chevrolet TrailBlazer. However, it is still accessible from the selected car via links, so may be relevant.
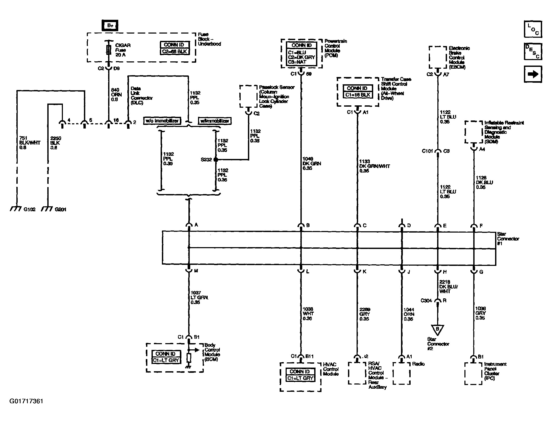
Fig 1: Data Link Connector (DLC) Schematics (Star Connector No.1)
G01717361Courtesy of GENERAL MOTORS CORP.
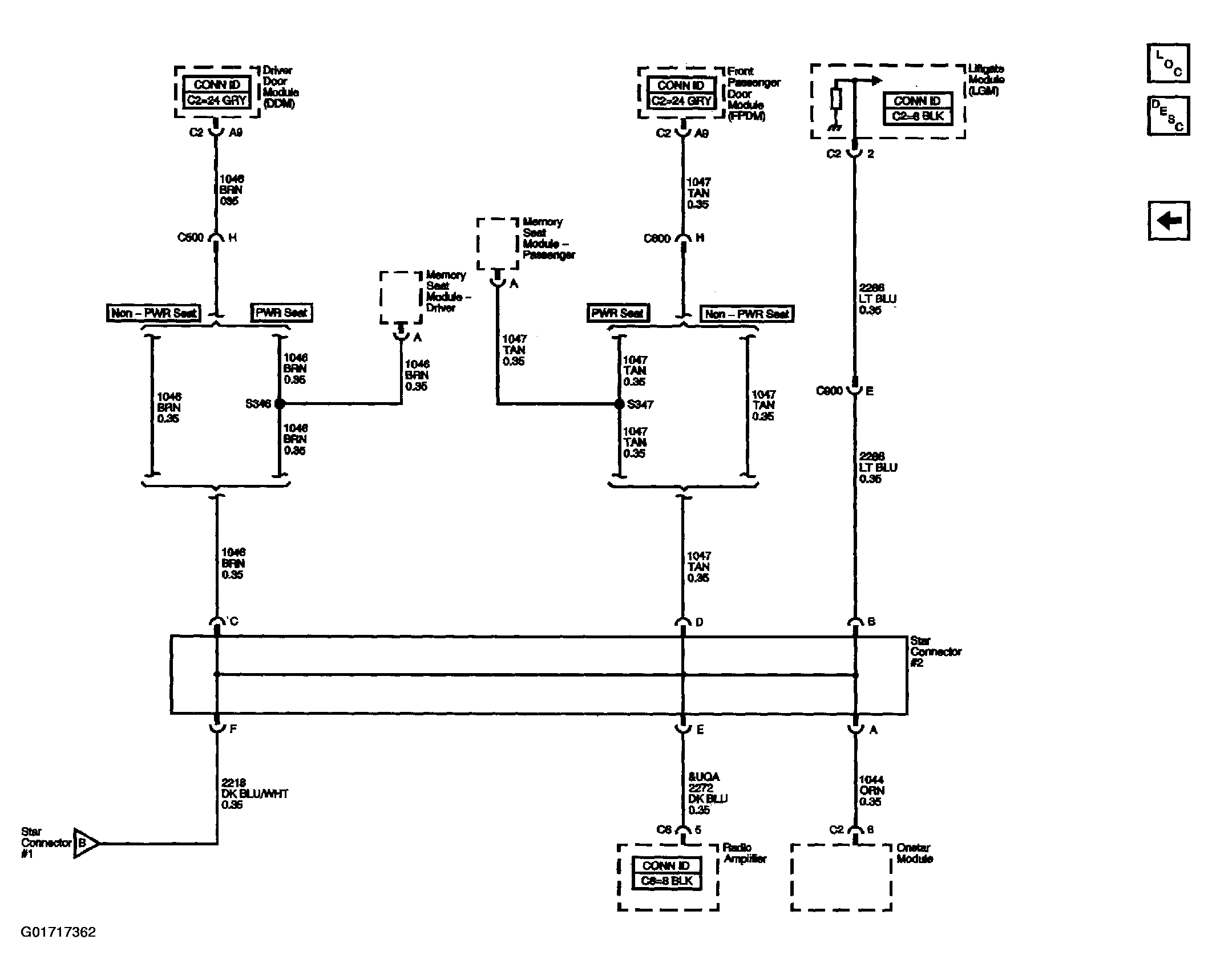
Fig 2: Data Link Connector (DLC) Schematics (Star Connector No.2)
G01717362Courtesy of GENERAL MOTORS CORP.