LEMON Manuals: Even more car manuals for everyone
Home >> GMC >> 2002 >> Jimmy 2D Utility, Part Time, Standard >> Repair and Diagnosis >> External Pages >> Different car >> Section 1636 (Cellular Communication System) >> Schematic and Routing Diagrams >> OnStar Schematics

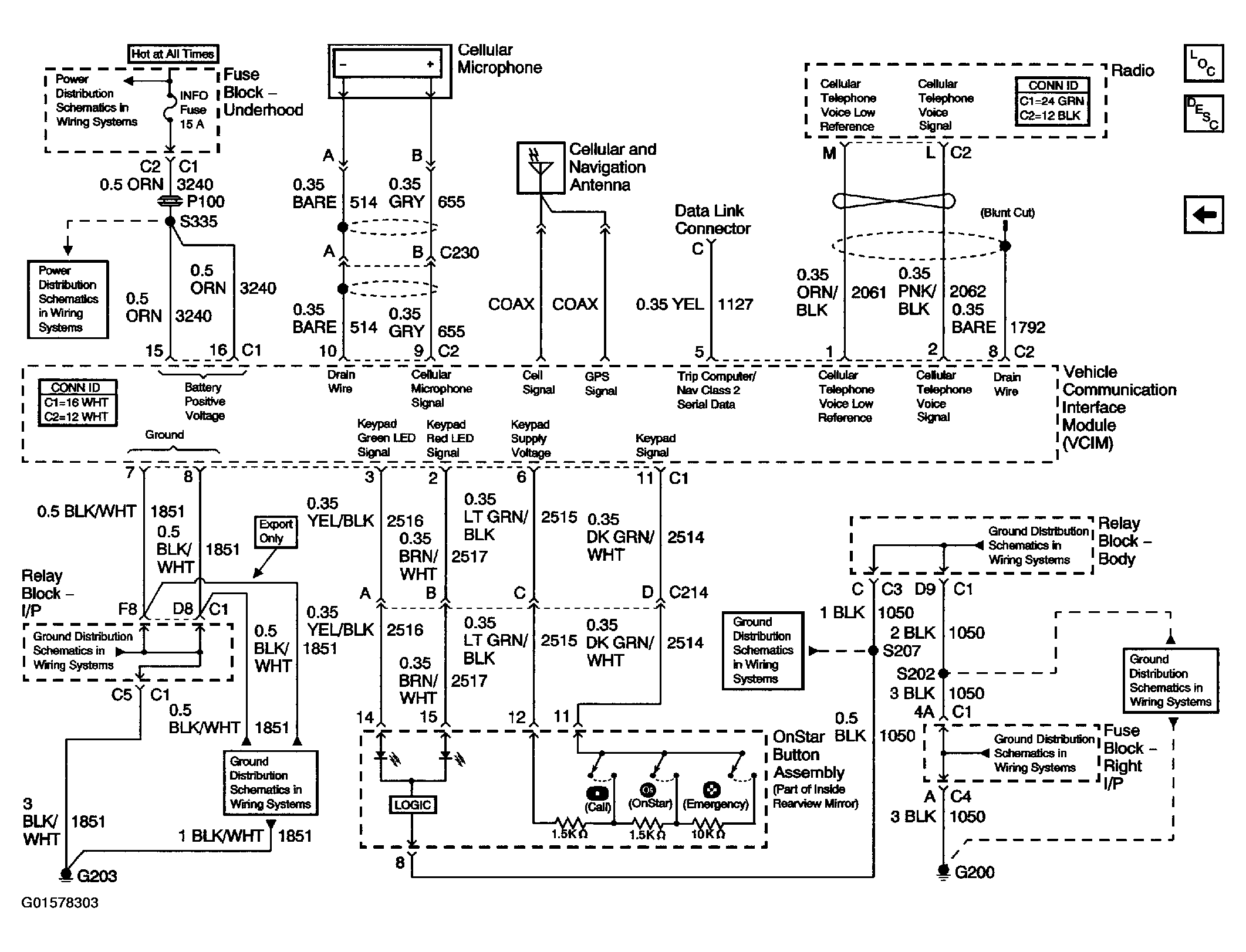
OnStar Schematics

WARNING: This page is about a different car, the 2003 GMC Sierra, 2003 GMC Cab & Chassis Sierra, 2003 Chevrolet Silverado, and 2003 Chevrolet Cab & Chassis Silverado. However, it is still accessible from the selected car via links, so may be relevant.
Fig 1: OnStar Schematics (OnStar-Except Y91)
G01578302Courtesy of GENERAL MOTORS CORP.
Fig 2: OnStar Schematics (OnStar-Y91 Only)
G01578303Courtesy of GENERAL MOTORS CORP.