LEMON Manuals: Even more car manuals for everyone
Home >> GMC >> 2002 >> Jimmy 2D Utility, Part Time, Standard >> Repair and Diagnosis >> External Pages >> Different car >> Section 1580 (Cellular Communication System) >> Schematic and Routing Diagrams >> OnStar Schematics

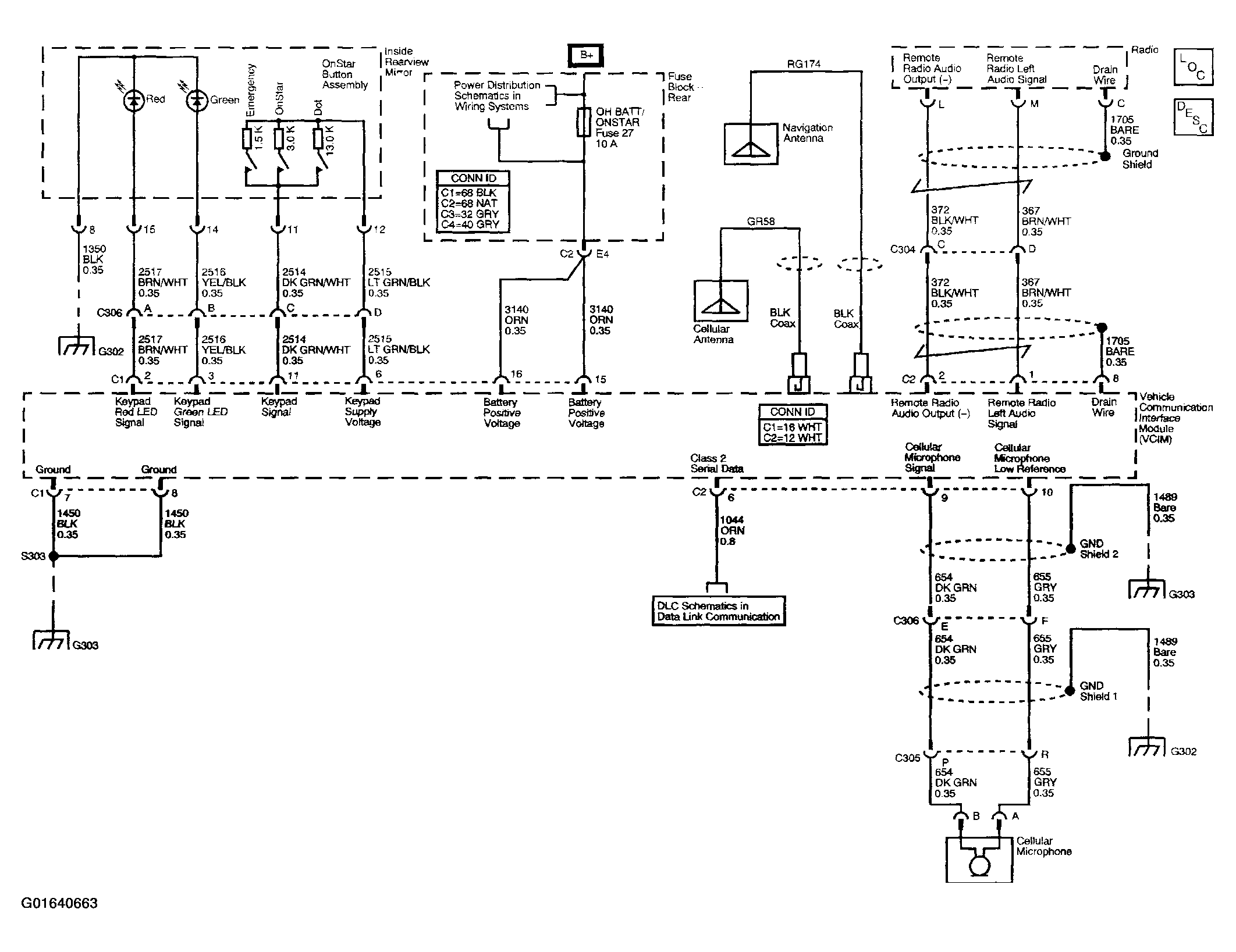
OnStar Schematics

WARNING: This page is about a different car, the 2003 Oldsmobile Bravada, 2003 GMC Envoy XL, 2003 GMC Envoy, and 2003 Chevrolet TrailBlazer. However, it is still accessible from the selected car via links, so may be relevant.
Fig 1: OnStar Schematics Diagram
G01640663Courtesy of GENERAL MOTORS CORP.