LEMON Manuals: Even more car manuals for everyone
Home >> GMC >> 2002 >> Jimmy 2D Utility, Part Time, Standard >> Repair and Diagnosis >> External Pages >> Different car >> Section 1415 (Antilock Brake System And Traction Control System) >> Schematic and Routing Diagrams >> ABS Schematics

ABS Schematics

WARNING: This page does not describe the selected car, but rather 6 other vehicles, including the 2004 Oldsmobile Bravada, 2004 GMC Envoy XUV, 2004 GMC Envoy XL, 2004 GMC Envoy, and 2004 Chevrolet TrailBlazer. However, it is still accessible from the selected car via links, so may be relevant.
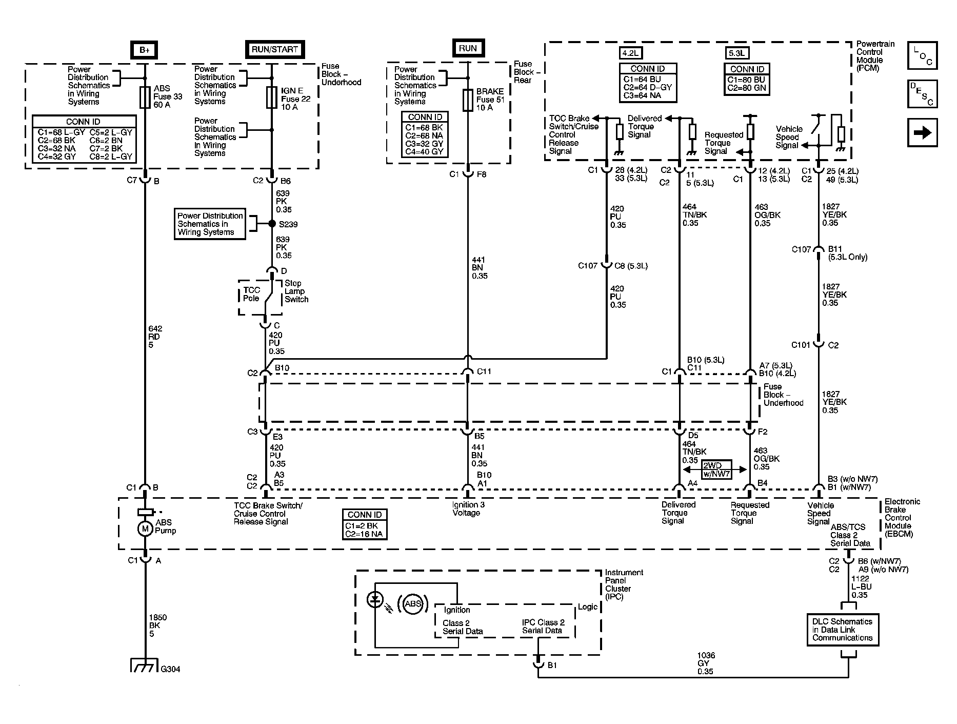
Fig 1: EBCM Power, Ground, Serial Data, Indicator, and Signal Circuits Schematic
GM1261484Courtesy of GENERAL MOTORS CORP.
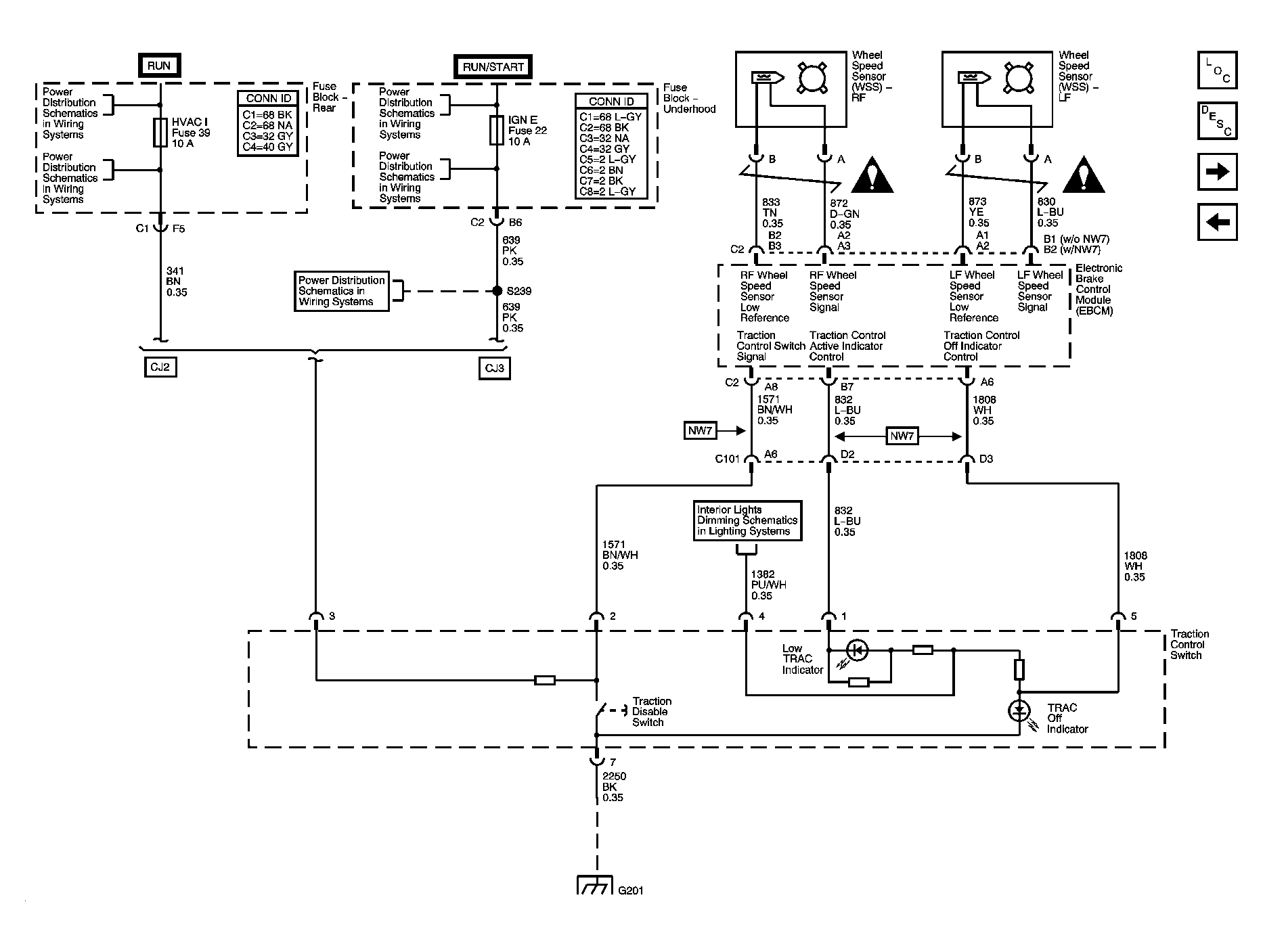
Fig 2: Traction Control (NW7) and Wheel Speed Sensors Schematic - Except Buick/Oldsmobile
GM1261485Courtesy of GENERAL MOTORS CORP.
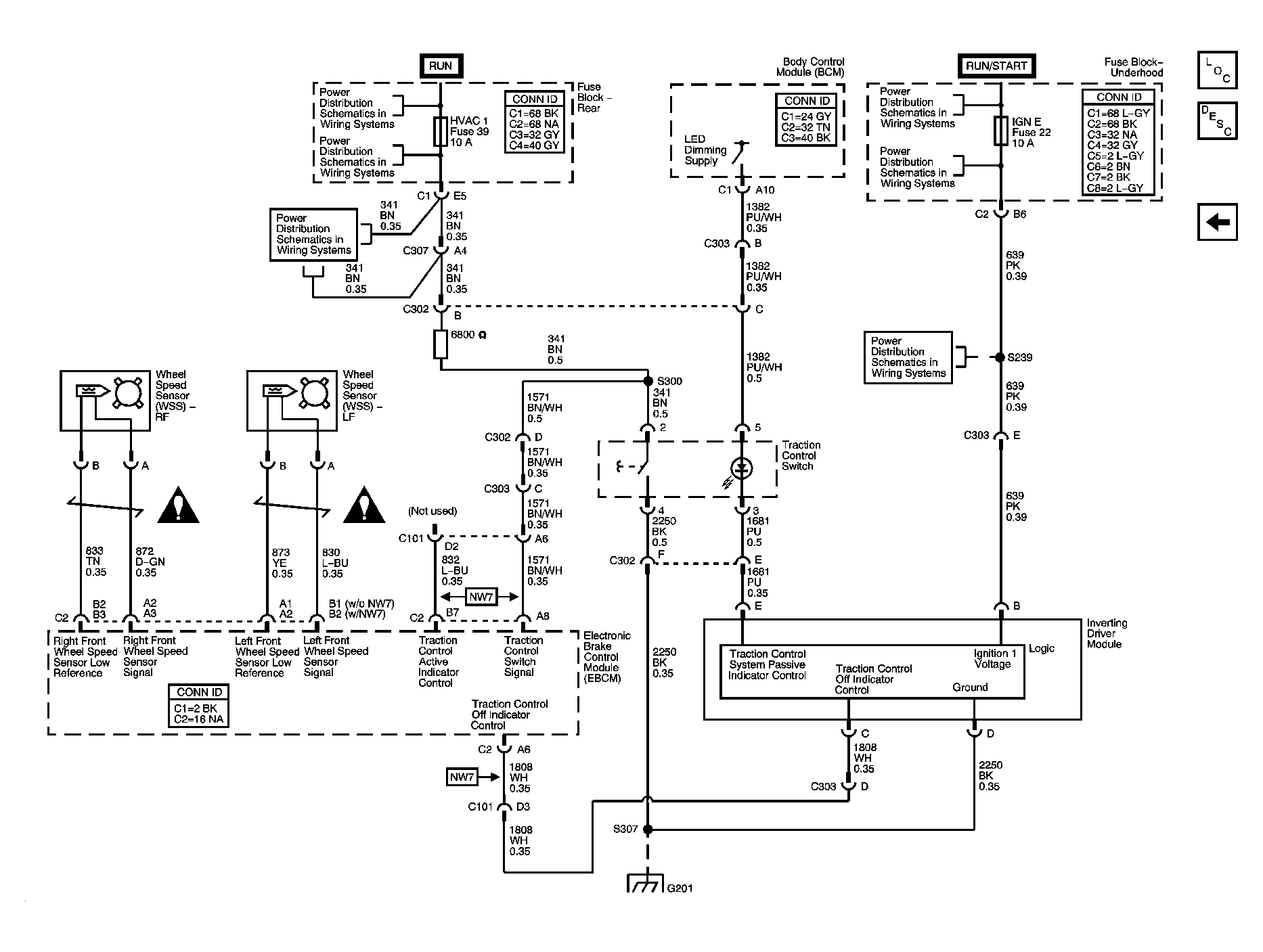
Fig 3: Traction Control (NW7) and Wheel Speed Sensors Schematic - Buick/Oldsmobile
GM1261486Courtesy of GENERAL MOTORS CORP.