LEMON Manuals: Even more car manuals for everyone
Home >> GMC >> 2002 >> Jimmy 2D Utility, Part Time, Standard >> Repair and Diagnosis >> External Pages >> Different car >> Section 1351 (Engine Control System (Introduction) -- 1.8L (LNK)) >> Schematic and Routing Diagrams >> Engine Controls Schematics

Engine Controls Schematics

WARNING: This page is about a different car, the 2004 Pontiac Vibe. However, it is still accessible from the selected car via links, so may be relevant.
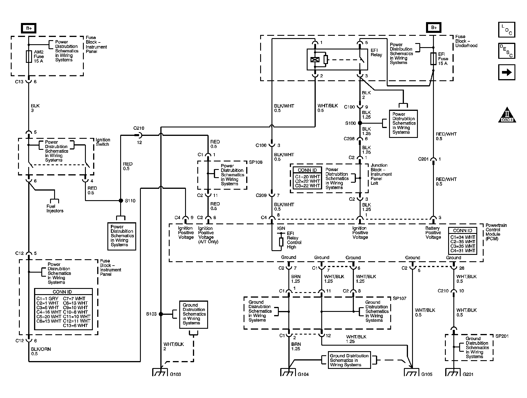
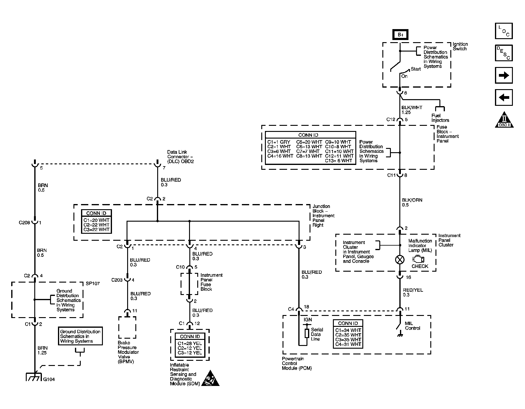
Fig 1: Powertrain Control Module (PCM) Schematics Power And Ground
GM1234931Courtesy of GENERAL MOTORS CORP.
Fig 2: S 100 Schematics
GM1234932Courtesy of GENERAL MOTORS CORP.
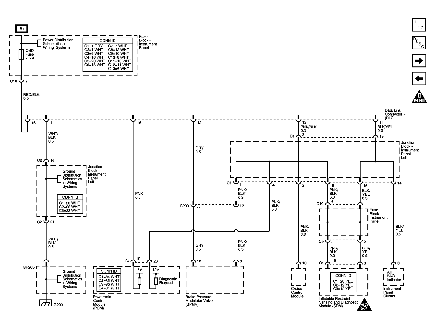
Fig 3: Data Link Connector Schematics - 1 Of 2
GM785476Courtesy of GENERAL MOTORS CORP.
Fig 4: Data Link Connector Schematics - 2 Of 2
GM787259Courtesy of GENERAL MOTORS CORP.
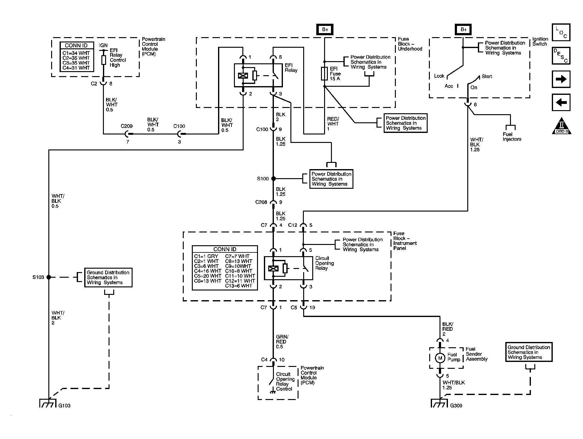
Fig 5: Circuit Opening Relay, Fuel Sender Assembly Schematics
GM1234934Courtesy of GENERAL MOTORS CORP.
Fig 6: Fuel Injectors Schematics
GM785486Courtesy of GENERAL MOTORS CORP.
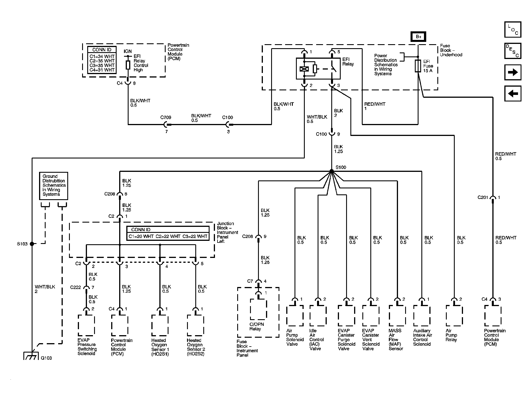
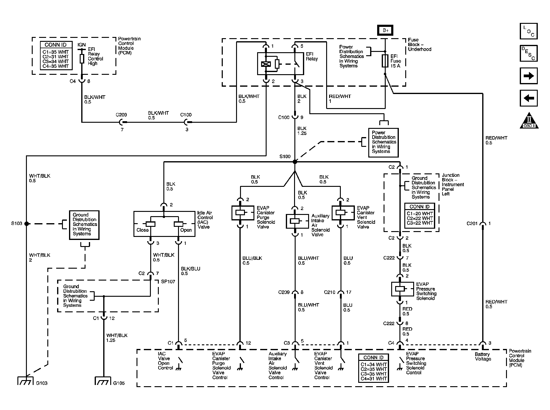
Fig 7: Idle Air Control (IAC) Valve, EVAP Solenoids Schematics
GM1234935Courtesy of GENERAL MOTORS CORP.
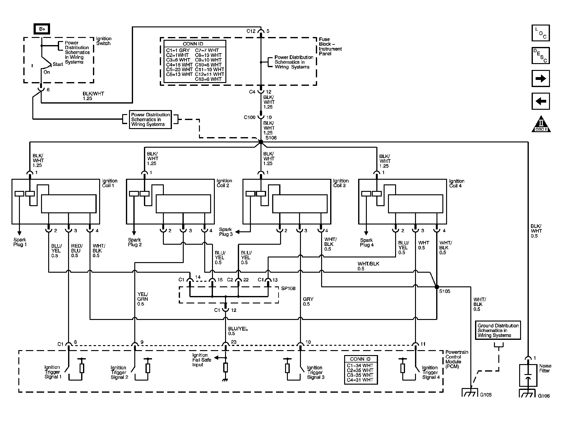
Fig 8: Ignition System Schematics
GM785458Courtesy of GENERAL MOTORS CORP.
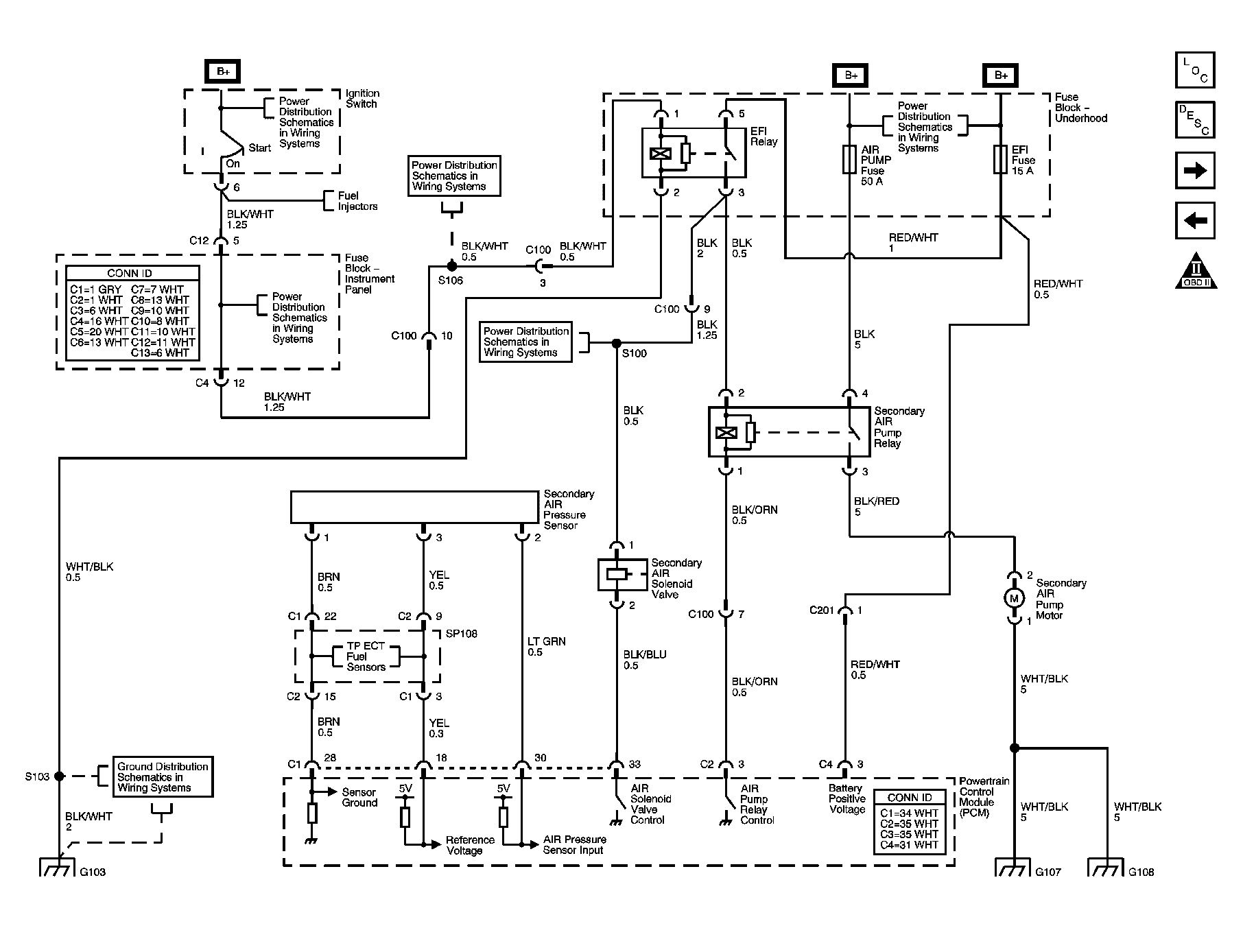
Fig 9: Air Pump Relay, Solenoid Valve, Pressure Sensor And Motor Schematics
GM1234942Courtesy of GENERAL MOTORS CORP.
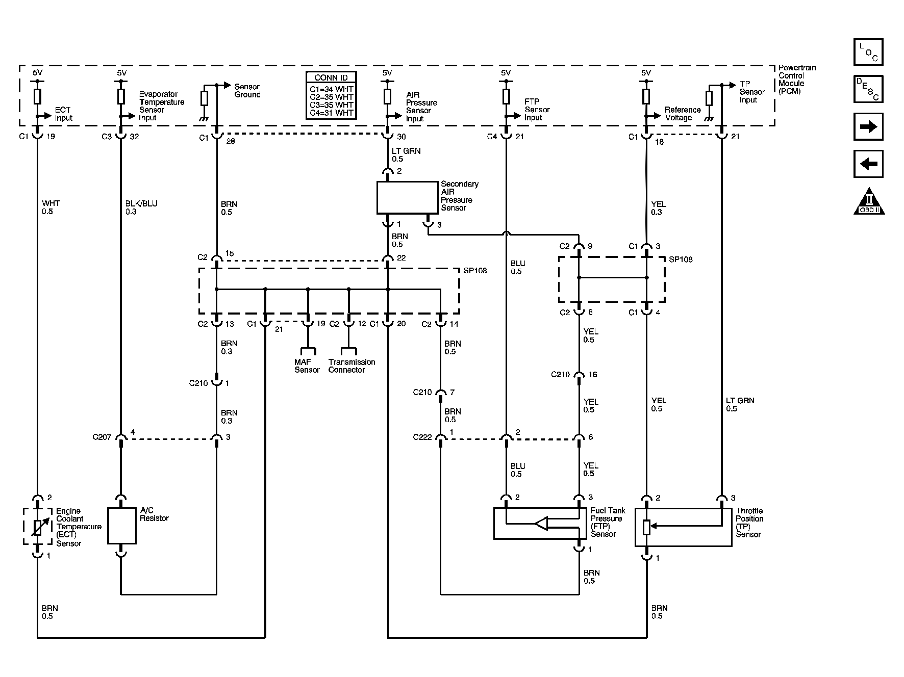
Fig 10: ECT, Evaporator Temperature, Fuel Tank Pressure, TP And Air Pump Sensors Schematics
GM1234941Courtesy of GENERAL MOTORS CORP.
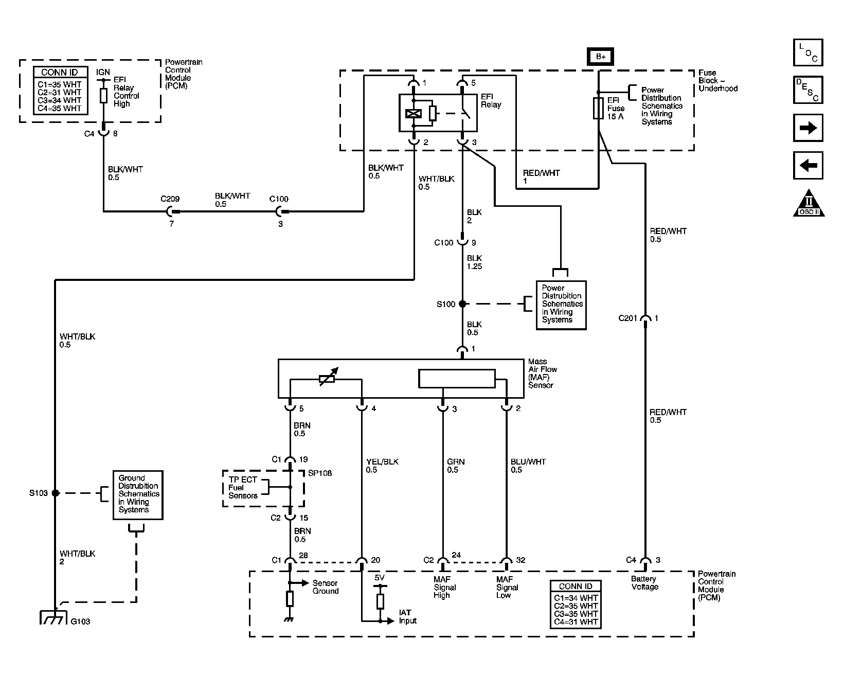
Fig 11: Mass Air Flow (MAF) Sensor Schematics
GM1234936Courtesy of GENERAL MOTORS CORP.
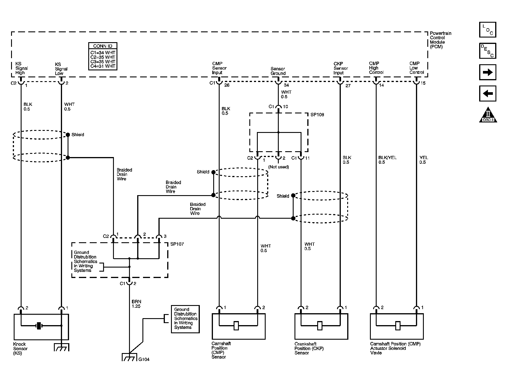
Fig 12: KS, CMP, CKP Sensors And CMP Actuator Solenoid Valve Schematics
GM785460Courtesy of GENERAL MOTORS CORP.
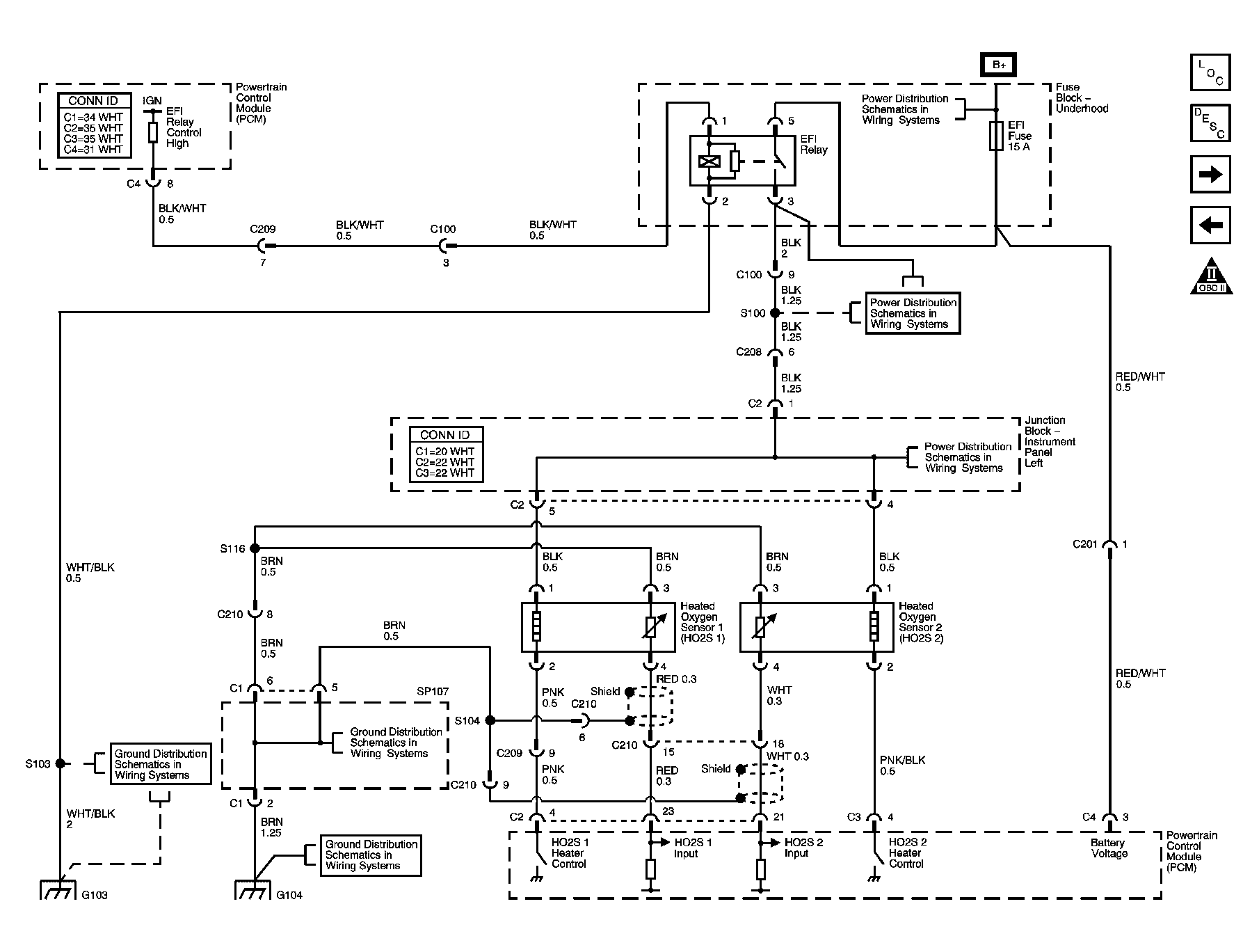
Fig 13: Heated Oxygen Sensors Schematics
GM1234939Courtesy of GENERAL MOTORS CORP.
Fig 14: Vehicle Speed Input, Tachometer Signal Schematics
GM785539Courtesy of GENERAL MOTORS CORP.
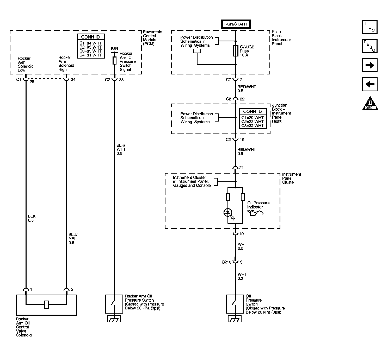
Fig 15: Rocker Arm Oil Control Solenoid Valve And Oil Pressure Switch Schematics
GM785541Courtesy of GENERAL MOTORS CORP.
Fig 16: Powertrain Control Module (PCM) Schematics Idle-Up Inputs
GM785461Courtesy of GENERAL MOTORS CORP.