LEMON Manuals: Even more car manuals for everyone
Home >> GMC >> 2002 >> Jimmy 2D Utility, Part Time, Automatic >> Repair and Diagnosis >> External Pages >> Different car >> Section 894 (Transfer Case - STEYR (Unit Repair)) >> Repair Instructions >> Transfer Case Assemble >> Gears and Cases Assembly

Gears and Cases Assembly

WARNING: This page is about a different car, the 2003 Pontiac Montana, 2003 Pontiac Aztek, 2003 Oldsmobile Silhouette, 2003 Chevrolet Venture, and 2003 Buick Rendezvous. However, it is still accessible from the selected car via links, so may be relevant.
  1. Use the J 5590  (1) and a hydraulic press in order to install the bearings onto the idler gear.
    Fig 1: Installing Bearing Using J 5590 And Press
    G01365628Courtesy of GENERAL MOTORS CORP.
  2. Use the J 44752  (1) and a hydraulic press in order to install the bearing race into the cover-left.
    Fig 2: Installing Bearing Using J 44752 And Press
    G01365629Courtesy of GENERAL MOTORS CORP.
  3. Install the idler gear (2) and bearing race (1) to the case-left.
    Fig 3: Installing Idler Gear And Bearing Race
    G01365630Courtesy of GENERAL MOTORS CORP.
  4. Inspect the gear for proper installation. The side of the gear with the long flange area (1) should be installed to the case-right side.
    Fig 4: Inspecting Gear For Proper Installation
    G01365631Courtesy of GENERAL MOTORS CORP.
  5. Install the J 44757-1  (1) to the idler gear and race.
    Fig 5: Installing J 44757-1 To Idler Gear And Race
    G01365632Courtesy of GENERAL MOTORS CORP.
  6. Install the cover-right (1), bolts (2), and J 44757-8 (3) to the case-left.
    Fig 6: Installing Cover-Right, Bolts, And J 44757-8
    G01365633Courtesy of GENERAL MOTORS CORP.

    Tighten 

    Tighten the bolts to 25 N.m (18 lb ft).

  7. Using a feeler gage, measure the gap (1) in the J 44757-1.  The measured amount is the idler gear bearing shim thickness.
    Fig 7: Measuring Gap Using Feeler Gauge
    G01365634Courtesy of GENERAL MOTORS CORP.
  8. Disassemble the case-right and tools from the case-left.
  9. Install the selected idler gear bearing shim (2) and bearing race (1) to the case-right.
    Fig 8: Installing Selected Idler Gear Bearing Shim And Bearing Race
    G01365635Courtesy of GENERAL MOTORS CORP.
  10. Use the J 44752  (1) and a hydraulic press in order to install the bearing race to the case-right.
    Fig 9: Installing Bearing Race Using J 44752 And Press
    G01365636Courtesy of GENERAL MOTORS CORP.
  11. Install the driveshaft bearing (3) to the case-right.
    Fig 10: Installing Driveshaft Bearing
    G01365637Courtesy of GENERAL MOTORS CORP.
  12. Use the J 44753  (1) and a hydraulic press in order to install the bearing to the case-right.
    Fig 11: Installing Bearing Using J 44753 And Press
    G01365638Courtesy of GENERAL MOTORS CORP.
  13. Use the J 44753  (1) to install the oil seal-transaxle side (2) to the case-left. Install until the seal bottoms in the case-left bore.
    Fig 12: Installing Oil Seal Using J 44753
    G01365639Courtesy of GENERAL MOTORS CORP.
  14. Use the J 44753  (1) to install the oil seal-gear oil side (2) to the case-left. Install until the tool bottoms against the case-left.
    Fig 13: Installing Oil Seal - Gear Oil Side Using J 44753
    G01365640Courtesy of GENERAL MOTORS CORP.
  15. Use the J 44908  (1) and a hydraulic press in order to install the bearing races to the case-left.
    Fig 14: Installing Bearing Race Using J 44908 And Press
    G01365641Courtesy of GENERAL MOTORS CORP.
  16. Use the J 44907  (1) and a hydraulic press in order to install the inner bearing (2) to the driveshaft.
    Fig 15: Installing Inner Bearing Using J 44907 And Press
    G01365642Courtesy of GENERAL MOTORS CORP.

    Important: 

    The J 44757-7 shim is installed to create measurable end play and to assist in determining the proper size shim for bearing preload.

    Fig 16: Assembling Shaft, J 44757-7 Shim, And Bearing
    G01365643Courtesy of GENERAL MOTORS CORP.
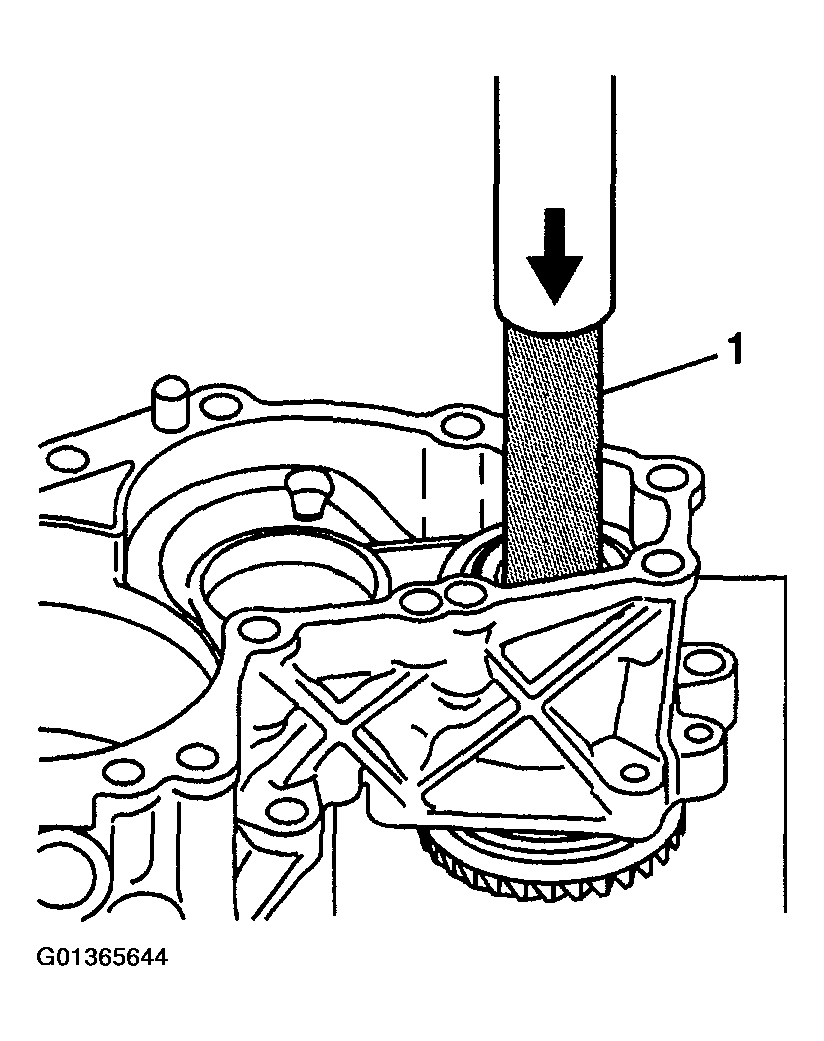
  17. Assemble the shaft (1), J 44757-7 shim (5), and bearing (7) to the case-left.
  18. Use the J 5590  (1) and a hydraulic press in order to install the shaft, J 44757-7 shim, and bearing to the case-left.
    Fig 17: Installing Shaft, J 44757-7 Shim, And Bearing Using J 5590 And Press
    G01365644Courtesy of GENERAL MOTORS CORP.
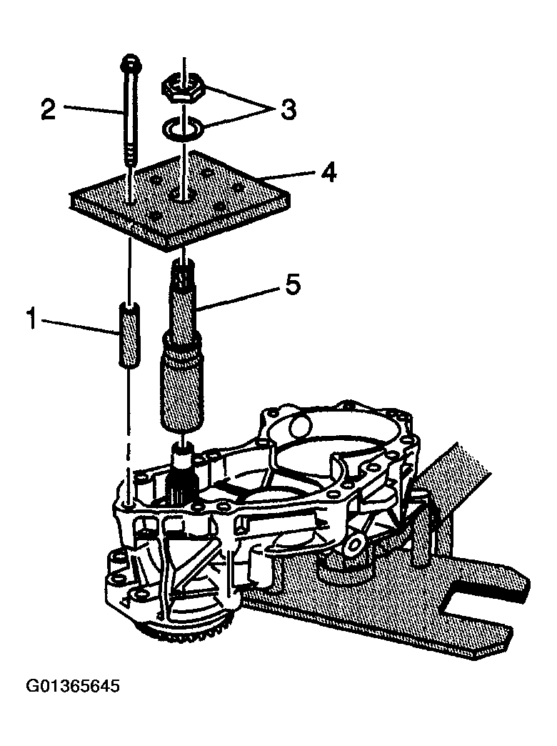
  19. Install the J 44757-2 (5) onto the driveshaft. Tighten until snug.
    Fig 18: Installing J 44757-6, J 44757-8, Bolts, And Nuts And Washers
    G01365645Courtesy of GENERAL MOTORS CORP.
  20. Install the J 44757-6 (4), J 44757-8 (1), bolts (2), and nuts and washers (3) to the case-left.

    Tighten 

    Tighten the bolts to 25 N.m (18 lb ft).

  21. Rotate the driveshaft, multiple times in both directions to ensure the bearing rollers are seated to the bearing races.
  22. Install J 8001  (3) onto the J 44757-6. Position the tip (2) of the indicator onto the end of the J 44757-2.
    Fig 19: Installing J 8001 Onto J 44757-6
    G01365646Courtesy of GENERAL MOTORS CORP.
  23. Tighten the nut (4) of the J 44757-2 to preload to the bearings and position the shaft at the bottom of travel. Use a second wrench to hold the J 44757-2 shaft. Observe the needle on the dial. When the needle movement stops, the shaft is at bottom of travel.
  24. Zero the dial indicator.
  25. Loosen and back-off the nut (4).
  26. Tighten the nut (1) to preload the bearings and position the shaft at the top of travel. Use a second wrench to hold the J 44757-2 shaft.
  27. Record the measured value on the dial indicator. Subtract the measured value from 6.0 mm (0.236 in) in order to determine the driveshaft shim required for proper bearing installation and preload.
  28. Disassemble the shaft (1), bearing (7), and J 44757-7 shim (5) from the case-left.
    Fig 20: Installing Proper Size Shim, Shaft, Bearing And Gear
    G01365647Courtesy of GENERAL MOTORS CORP.
  29. Install the proper size shim (5), shaft (1), bearing (7), and gear (8) to the case-left.
  30. Lightly lubricate the splines of the driveshaft with grease.
    Fig 21: Installing Bearing, Shim, And Gear Using J 5590 And Press
    G01365648Courtesy of GENERAL MOTORS CORP.
  31. Use the J 5590  (1) and a hydraulic press in order to install the bearing, proper size shim, and gear (2) onto the shaft.
  32. Install the case-left (2) onto the J 44755  (1). Align the notched area of the tool with the flat areas of the driveshaft.
    Fig 22: Installing Case-Left Onto J 44755
    G01365649Courtesy of GENERAL MOTORS CORP.
  33. Install a new nut (1) onto the driveshaft.
    Fig 23: Installing Nut On Driveshaft
    G01365650Courtesy of GENERAL MOTORS CORP.

    Tighten 

    Tighten the nut to 505 N.m (372 lb ft).

  34. Measure the rotating torque of the driveshaft. A properly assembled shaft and bearings should have a rotating torque of 1.5 N.m (13 lb in).
  35. Use the J 44752  (1) and a hydraulic press in order to install the carrier bearing race-inner to the case-right.
    Fig 24: Installing Carrier Bearing Race-Inner Using J 44752
    G01365651Courtesy of GENERAL MOTORS CORP.
  36. Use the J 44752  (1) and a hydraulic press in order to install the carrier bearing race-outer to the case-right.
    Fig 25: Installing Carrier Bearing Race-Outer Using J 44752
    G01365652Courtesy of GENERAL MOTORS CORP.
  37. Use the J 44752  (1) and a hydraulic press in order to install the bearing-inner to the differential carrier.
    Fig 26: Installing Bearing Inner Using J 44752 And Press
    G01365653Courtesy of GENERAL MOTORS CORP.

    Important: 

    The J 44757-4 shim is installed to create measurable end play and assist in determining the proper size shim for bearing preload.

    Fig 27: Installing Carrier, J 44757-4 Shim, And Bearing
    G01365654Courtesy of GENERAL MOTORS CORP.
  38. Install the carrier (8), J 44757-4 shim (6), and bearing (2) to the case-right.
  39. Use the J 44752  (1) and a hydraulic press in order to install the carrier, J 44757-4 shim, and bearing to the case-right.
    Fig 28: Installing Carrier, J 44757-4 Shim, And Bearing Using J 44752 And Press
    G01365655Courtesy of GENERAL MOTORS CORP.
  40. Install the case-right (1) onto the J 44755  (2). Position the carrier onto the post of the fixture.
    Fig 29: Installing Case-Right Onto J 44755
    G01365656Courtesy of GENERAL MOTORS CORP.
  41. Install the J 44757-5 (5) onto the carrier. Tighten until snug.
    Fig 30: Installing J 44757-6, J 44757-8, Bolts, Nuts And Washers, And Nuts
    G01365657Courtesy of GENERAL MOTORS CORP.
  42. Install the J 44757-6  (4), J 44757-8 (1), bolts (2), nuts and washers (3), and nuts (6) to the case-right.

    Tighten 

    Tighten the bolts to 25 N.m (18 lb ft).

  43. Rotate the differential carrier multiple times in both directions to ensure the bearing rollers are seated to the bearing races.
  44. Install J 8001  (3) onto the J 44757-6. Position the tip (2) of the indicator onto the end of the J 44757-5.
    Fig 31: Installing J 8001 Onto J 44757-6
    G01365658Courtesy of GENERAL MOTORS CORP.
  45. Tighten the nut (4) of the J 44757-5 to preload to the bearings and position the differential carrier at the bottom of travel. Use a second wrench to hold the J 44757-5 shaft. Observe the needle on the dial. When the needle movement stops, the carrier is at bottom of travel.
  46. Zero the dial indicator.
  47. Loosen and back-off the nut (4).
  48. Tighten the nut (1) to preload the bearings and position the carrier at the top of travel. Use a second wrench to hold the J 44757-5 shaft.
  49. Record the measured value on the dial indicator. Subtract the measured value from 10 mm (0.394 in) in order to determine the carrier shim required for proper bearing installation and preload.
  50. Disassemble the carrier (8), bearing (2), and J 44757-4 shim (6) from the case-right.
    Fig 32: Installing Proper Size Shim, Carrier, And Bearing
    G01365659Courtesy of GENERAL MOTORS CORP.
  51. Install the proper size shim (6), carrier (8), and bearing (2) to the case-right.
  52. Use the J 44752  (1) and a hydraulic press in order to install the shaft, proper size shim, and bearing to the case-right.
    Fig 33: Installing Shaft, Proper Size Shim, And Bearing Using J 44752 And Press
    G01365660Courtesy of GENERAL MOTORS CORP.
  53. Install the nut (1) to the differential carrier.
    Fig 34: Installing Nut To Differential Carrier
    G01365661Courtesy of GENERAL MOTORS CORP.

    Tighten 

    Tighten the nut to 500 N.m (369 lb ft).

  54. Measure the rotating torque of the carrier. A properly assembled carrier and bearings should have a rotating torque of 1.5 N.m (13 lb in).
  55. Using a punch, stake the flange of the nut to the groove in the carrier shaft.
  56. Use the J 44752  (1) in order to install the seal (2) to the case-right.
    Fig 35: Installing Seal Using J 44752
    G01365662Courtesy of GENERAL MOTORS CORP.
  57. Remove the case-right (1) and carrier from the J 44755  (2).
    Fig 36: Removing Case-Right And Carrier From J 44755
    G01365663Courtesy of GENERAL MOTORS CORP.
  58. Install a random size shim (3), housing (2), and bolts (1 and 4) to the case-left.
    Fig 37: Installing A Random Size Shim, Housing, And Bolts
    G01365664Courtesy of GENERAL MOTORS CORP.

    Tighten 

    • Tighten the M8 bolts to 32 N.m (23 lb ft).
    • Tighten the M10 bolts to 60 N.m (44 lb ft).
  59. Apply sealant GM P/N 12346004 (Canadian P/N 10953480) or equivalent to both sides of the shim (2).
    Fig 38: Installing Housing, Selected Shim, And Bolts
    G01365665Courtesy of GENERAL MOTORS CORP.
  60. Install the housing (1), selected shim (2), and bolts (3) to the housing.

    Tighten 

    Tighten the bolts to 32 N.m (23 lb ft).

  61. Install an M8 x 1.25 bolt (1) into a threaded hole in the flange.
    Fig 39: Installing Bolt Into A Threaded Hole In Flange
    G01365666Courtesy of GENERAL MOTORS CORP.
  62. Position the top of J 8001  (2) against the flat area of the bolt.
  63. Install a wrench or socket onto the nut (1) of the driveshaft. Do not allow the shaft to rotate or move when measuring backlash.
    Fig 40: Installing A Wrench Or Socket Onto Nut Of Driveshaft
    G01365667Courtesy of GENERAL MOTORS CORP.
  64. Rotate the flange (2) left and right in order to measure the drive and driven shafts gear backlash. Measure the backlash in multiple locations. The correct gear backlash is 0.2-0.3 mm (0.0078-0.0118 in).
  65. Select and install the correct shim (4) to obtain the proper backlash. A change in shim thickness has a one-to-one ratio and change in gear backlash.
    Fig 41: Installing A New O-Ring During Final Assembly
    G01365668Courtesy of GENERAL MOTORS CORP.
    • A thicker shim will increase backlash.
    • A thinner shim will decrease backlash.
  66. Install a new O-ring (5) during final assembly.
  67. Apply sealant GM P/N 12346004 (Canadian P/N 10953480) or equivalent to the sealing surfaces of the case-right.
    Fig 42: Installing Idler Gear To Case-Right
    G01365669Courtesy of GENERAL MOTORS CORP.
  68. Install the idler gear (1) to the case-right.
  69. Install the idler gear into the case-right. The side of the gear with the long flange area (1) should be installed to the case-right.
    Fig 43: Installing Idler Gear Into Case-Right
    G01365670Courtesy of GENERAL MOTORS CORP.
  70. Rotate the J 44755  90 degrees.
    Fig 44: Installing Case-Right To Case-Left
    G01365671Courtesy of GENERAL MOTORS CORP.
  71. Install the case-right (2) to the case-left (1).
  72. Install the bolts (1) to the case.
    Fig 45: Installing Bolts
    G01365672Courtesy of GENERAL MOTORS CORP.

    Tighten 

    Tighten the bolts to 60 N.m (44 lb ft).

  73. Install the speed sensor (1) and O-ring.
    Fig 46: Installing Speed Sensor And O-Ring
    G01365673Courtesy of GENERAL MOTORS CORP.
  74. Install the hose and clamp (1), vent hose (2), and bolt (3).
    Fig 47: Installing Hose And Clamp, Vent Hose, And Bolt
    G01365674Courtesy of GENERAL MOTORS CORP.

    Tighten 

    Tighten the vent hose/speed sensor bolt to 30 N.m (22 lb ft).

  75. Install the transmission oil drain plug (1) and gasket.
    Fig 48: Installing Transmission Oil Drain Plug And Gasket
    G01365675Courtesy of GENERAL MOTORS CORP.

    Tighten 

    Tighten the drain plug to 32 N.m (24 lb ft).

  76. Install the gear oil drain plug (1) and gasket.
    Fig 49: Installing Gear Oil Drain Plug And Gasket
    G01365676Courtesy of GENERAL MOTORS CORP.

    Tighten 

    Tighten the drain plug to 32 N.m (24 lb ft).

    Important: 

    The end play clearance between the transmission and transfer case internal components is adjusted by selection of the proper size selective washer located behind the transmission sun gear. The transmission-to-transfer case washer selection procedure must be performed each time a transmission and/or transfer case assembly or the internal components, excluding gaskets and seals, are replaced.

  77. Perform the transfer case selective washer measurement procedure as required.