LEMON Manuals: Even more car manuals for everyone
Home >> GMC >> 2002 >> Jimmy 2D Utility, Part Time, Automatic >> Repair and Diagnosis >> External Pages >> Different car >> Section 1749 (Wiper System And Washer System) >> Schematic and Routing Diagrams >> Wiper/Washer System Schematics

Wiper/Washer System Schematics

WARNING: This page is about a different car, the 2003 Saturn Vue. However, it is still accessible from the selected car via links, so may be relevant.
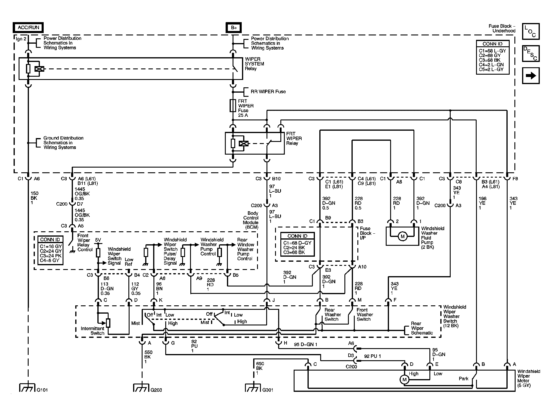
Fig 1: Wiper Switches & Washer Pump
GM1218098Courtesy of GENERAL MOTORS CORP.
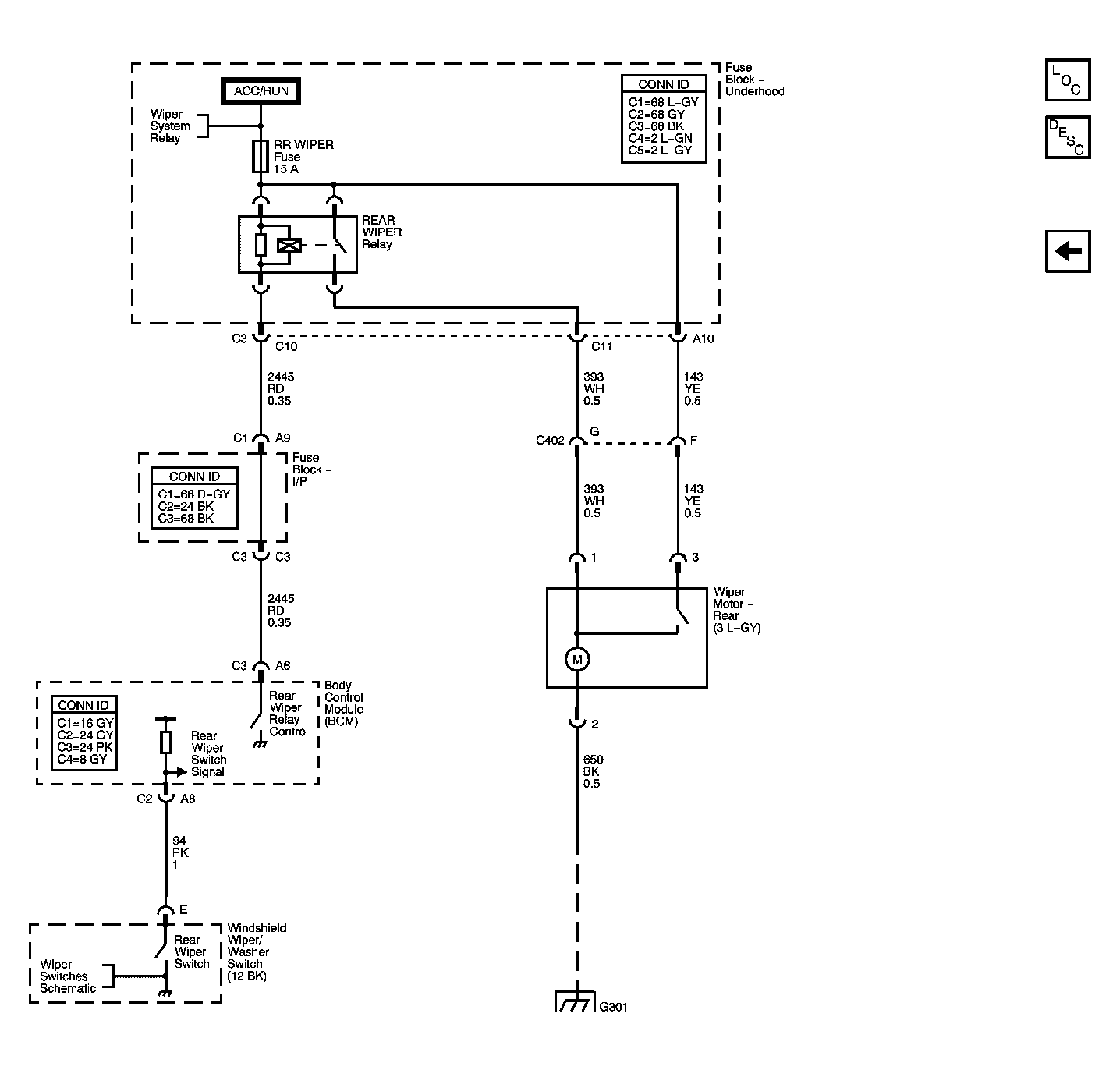
Fig 2: Rear Wiper
GM1218099Courtesy of GENERAL MOTORS CORP.