LEMON Manuals: Even more car manuals for everyone
Home >> GMC >> 2002 >> Jimmy 2D Utility, Part Time, Automatic >> Repair and Diagnosis >> External Pages >> Different car >> Section 1749 (Wiper System And Washer System) >> Diagnostic Information and Procedures >> DTC B3703: Intermittent Wiper Delay Input Circuit High >> Notes

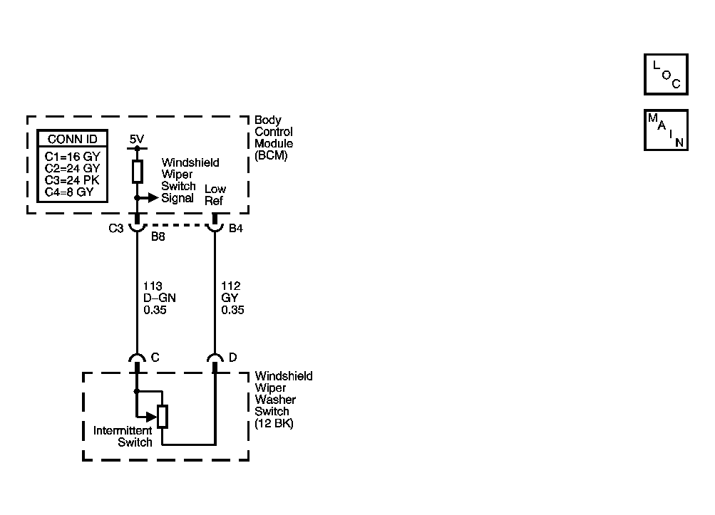
DTC B3703: Intermittent Wiper Delay Input Circuit High: Notes

WARNING: This page is about a different car, the 2003 Saturn Vue. However, it is still accessible from the selected car via links, so may be relevant.
Fig 1: DTC B3703 Circuit Diagram
GM1239499Courtesy of GENERAL MOTORS CORP.