LEMON Manuals: Even more car manuals for everyone
Home >> GMC >> 2002 >> Jimmy 2D Utility, Part Time, Automatic >> Repair and Diagnosis >> External Pages >> Different car >> Section 1589 (Cellular Communication System) >> Schematic and Routing Diagrams >> OnStar Schematics

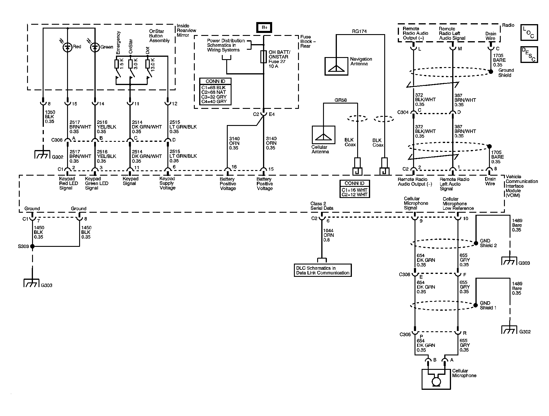
OnStar Schematics

WARNING: This page is about a different car, the 2002 Oldsmobile Bravada, 2002 GMC Envoy XL, 2002 GMC Envoy, and 2002 Chevrolet TrailBlazer. However, it is still accessible from the selected car via links, so may be relevant.
Fig 1: OnStar Schematics
GM665659Courtesy of GENERAL MOTORS CORP.