LEMON Manuals: Even more car manuals for everyone
Home >> GMC >> 2002 >> Jimmy 2D Utility, Part Time, Automatic >> Repair and Diagnosis >> External Pages >> Different car >> Section 1405 (Cellular Communication System) >> Schematic and Routing Diagrams >> OnStar Schematics

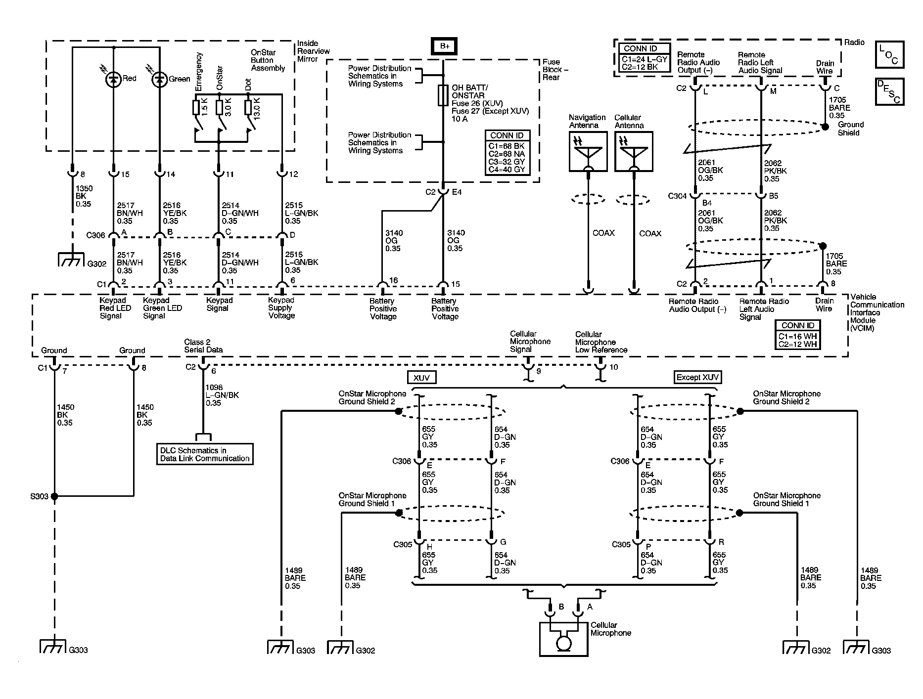
OnStar Schematics

WARNING: This page does not describe the selected car, but rather 6 other vehicles, including the 2004 Oldsmobile Bravada, 2004 GMC Envoy XUV, 2004 GMC Envoy XL, 2004 GMC Envoy, and 2004 Chevrolet TrailBlazer. However, it is still accessible from the selected car via links, so may be relevant.
Fig 1: VCIM Schematics
GM1298734Courtesy of GENERAL MOTORS CORP.