LEMON Manuals: Even more car manuals for everyone
Home >> GMC >> 2002 >> Jimmy 2D Utility, Part Time, Automatic >> Repair and Diagnosis >> External Pages >> Different car >> Section 1335 (Navigation Systems) >> Schematic and Routing Diagrams >> Navigation System Schematics

Navigation System Schematics

WARNING: This page is about a different car, the 2004 Pontiac Vibe. However, it is still accessible from the selected car via links, so may be relevant.
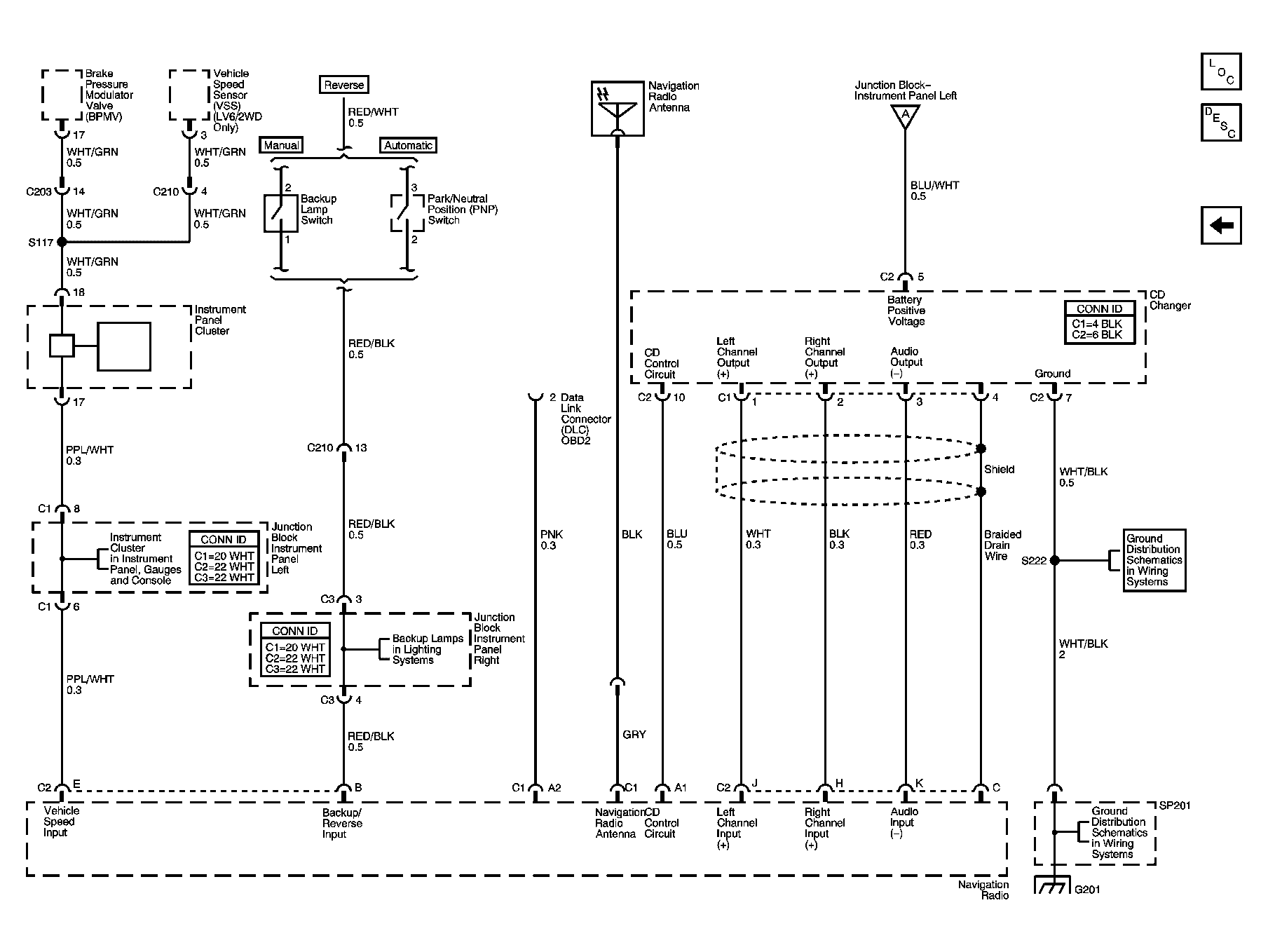
Fig 1: Navigation Radio Schematic - U1A
GM785490Courtesy of GENERAL MOTORS CORP.
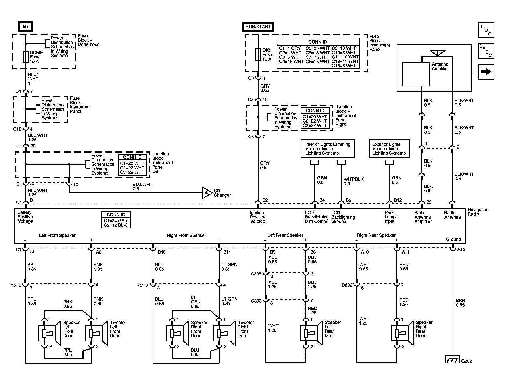
Fig 2: Navigation Radio Schematic - U1A And Remote CD Changer
GM1251261Courtesy of GENERAL MOTORS CORP.