LEMON Manuals: Even more car manuals for everyone
Home >> GMC >> 1995 >> Forward Control 7.4 N >> Repair and Diagnosis >> Engine Performance >> System >> Engine Controls - Tests W/Codes - 6.5L Diesel. >> Diagnostic Trouble Code Charts >> On-Board Diagnostic (OBD) System Check (Models With Pcm)

On-Board Diagnostic (OBD) System Check (Models With Pcm)

The On-Board Diagnostic (OBD) system check is an organized approach to identifying a problem created by a control module system malfunction. This is the starting point for any driveability complaint diagnosis, as it directs technician to the next logical step in diagnosis, helps reduce diagnostic time and prevents the unnecessary replacement of good parts.

NOTE: Test numbers refer to numbers on diagnostic chart.
  1. This tests MIL operation. With ignition on and engine off, light should be on.
  2. This step will isolate if customer complaint is a MIL or driveability problem.
  3. Although the control module is powered up, a symptom could exist because of a system fault.
  4. Use Tech-1 to aid in diagnosis (to check if serial data is available). If a PROM error is present, the PCM may have been able to flash DTC 12 or 51, but not enable serial data.
  5. Although the control module is powered up, a "CRANKS BUT WILL NOT RUN" symptom could exist because of a PCM or system fault.
  6. This step will isolate if customer complaint is a MIL or driveability problem with no MIL displayed. Proceed to DTC IDENTIFICATION  under TROUBLE CODE IDENTIFICATION, to determine if code is valid. An invalid DTC may be the result of a faulty scan tester, PROM or PCM.
  7. Comparison of actual control system data with typical scan tester data values is a quick check to determine if any parameter is not within limits. A base engine problem (i.e. advanced cam timing) may substantially alter sensor values. See appropriate TYPICAL TECH 1 DATA VALUES table in introduction.
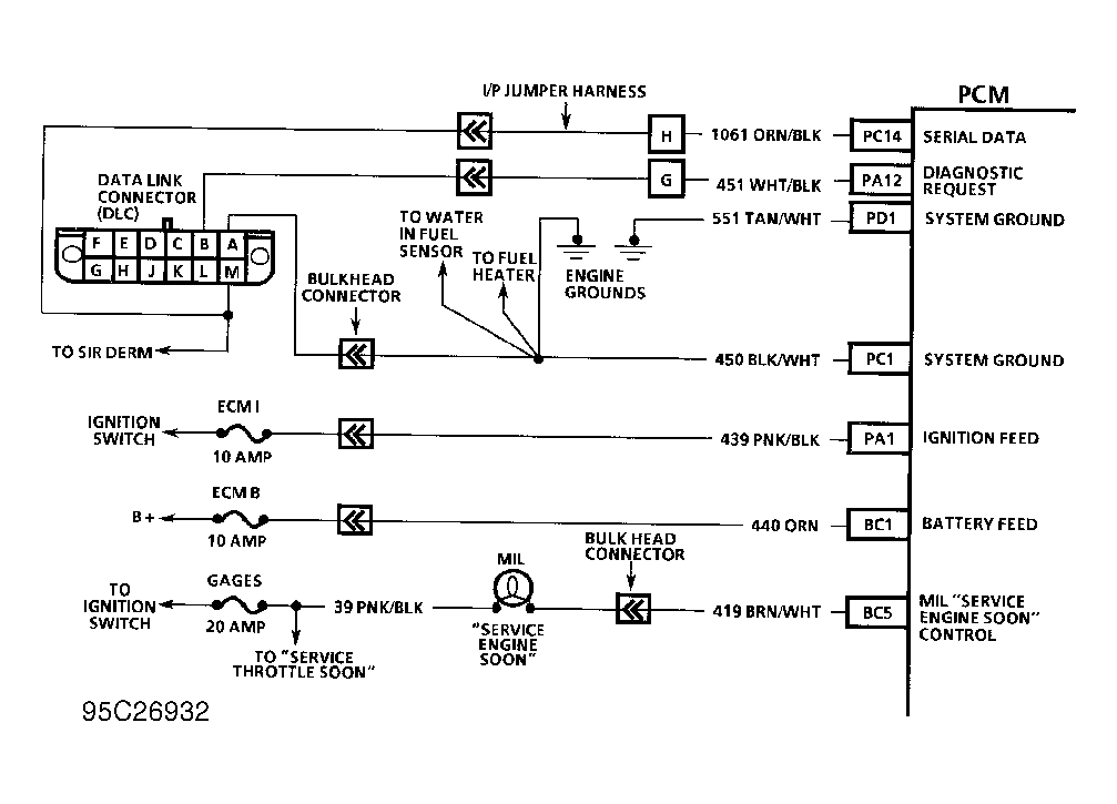
Fig 1: OBD System Check Schematic ("G" Series) On-Board Diagnostic (OBD) System Check (Models With PCM)
G95C26932
Fig 2: OBD System Check Schematic ("P" Series) On-Board Diagnostic (OBD) System Check (Models With PCM)
G95D26933
Fig 3: OBD System Check Flow Chart (All Models) On-Board Diagnostic (OBD) System Check (Models With PCM)
G94I65605