LEMON Manuals: Even more car manuals for everyone
Home >> GMC >> 1995 >> Forward Control 4.3 Z, Automatic >> Repair and Diagnosis >> Engine Performance >> System >> Engine Controls - Tests W/Codes - 6.5L Diesel. >> Diagnostic Trouble Code Charts >> DTC 44, EGR Pulse Width Error - "G" Series >> Diagnostic Aids

Diagnostic Aids

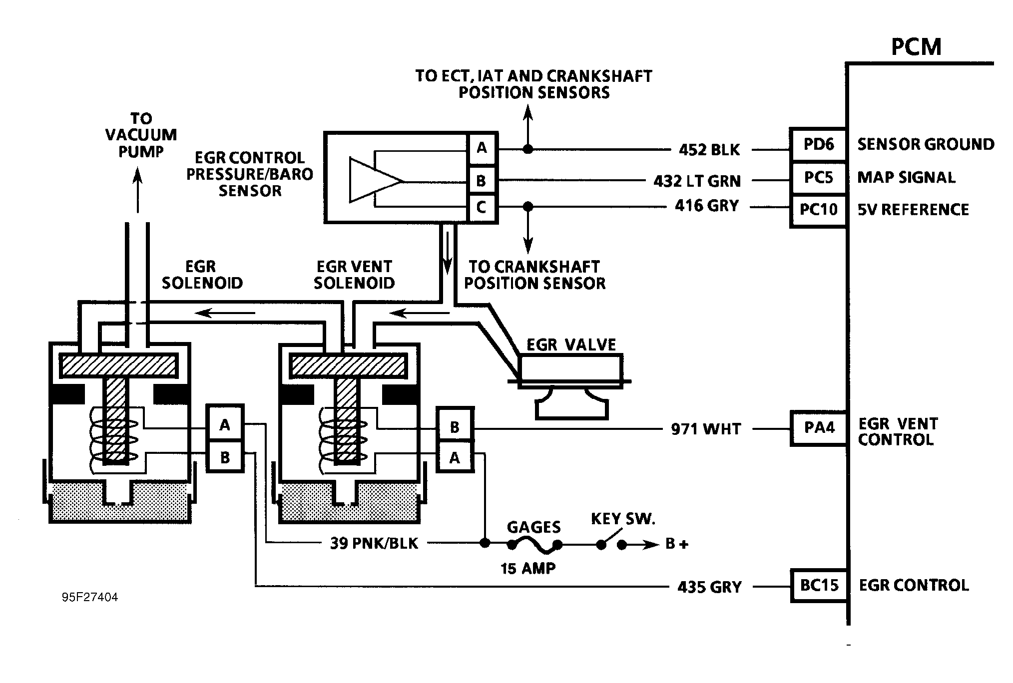
An open in ignition feed circuit or the EGR control circuit will cause DTC 44 to set.

Fig 1: DTC 44 Schematic ("G" Series) EGR Pulse Width Error
G95F27404
Fig 2: DTC 44 Flow Chart ("G" Series) EGR Pulse Width Error
G95G27405