LEMON Manuals: Even more car manuals for everyone
Home >> GMC >> 1992 >> Forward Control 7.4 N >> Repair and Diagnosis >> Engine Performance >> System >> Engine Controls - Tests W/Codes - Diesel >> Diagnostic Charts >> Code 32, EGR Circuit Loop Error >> Diagnostic Aids

Diagnostic Aids

A vacuum leak may cause a Code 32. Check all vacuum hoses and components connected to vacuum hoses for leaks. Also check cruise control and A/C systems vacuum hoses and components.

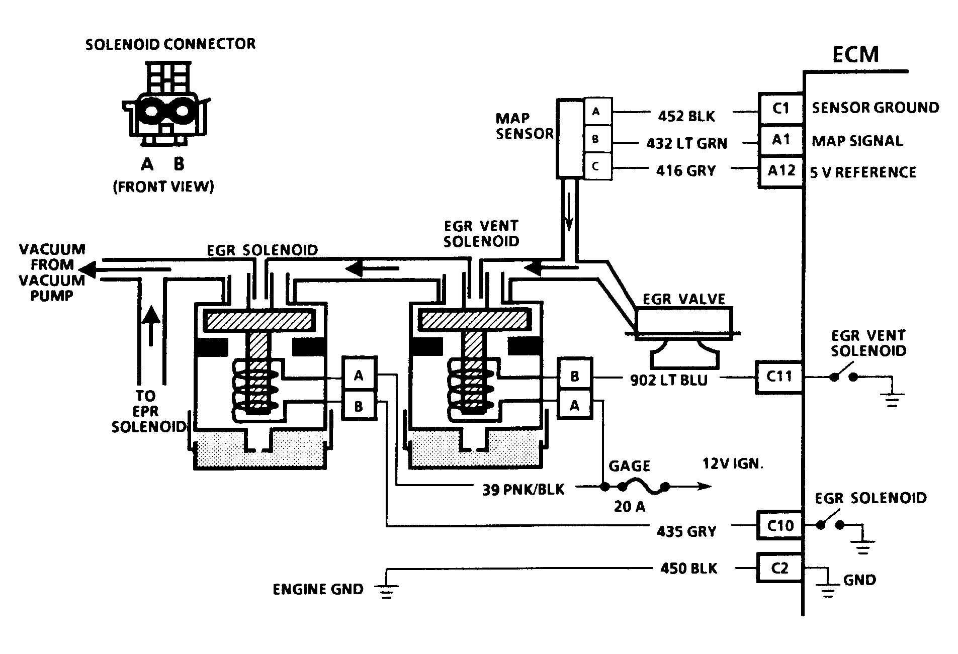
Fig 1: CODE 32, Schematic, EGR Circuit Loop Error
G92A21774Courtesy of GENERAL MOTORS CORP.
Fig 2: CODE 32, Schematic, EGR Circuit Loop Error
G91F13636Courtesy of GENERAL MOTORS CORP.
Fig 3: CODE 32, Flow Chart, EGR Circuit Loop Error
G91D13634Courtesy of GENERAL MOTORS CORP.