LEMON Manuals: Even more car manuals for everyone
Home >> GMC >> 1990 >> Forward Control 4.3 Z, Standard >> Repair and Diagnosis >> Engine Performance >> System >> Engine Controls - Basic Testing >> Chart A-5, Fuel Pump Relay Circuit Diagnosis >> S, T & M Series >> Test Description

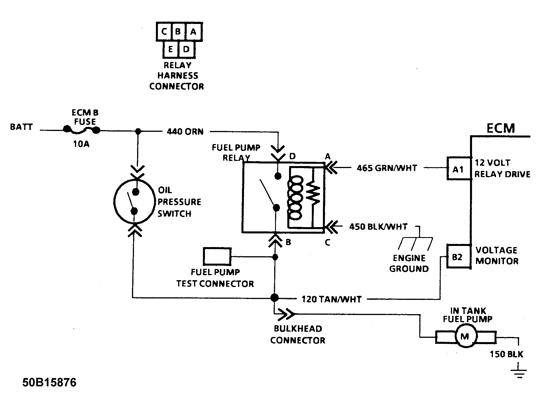
Test Description

Test Number 1)  Turns "ON" the fuel pump if circuit 120 wiring is OK. If the pump runs, it may be a fuel pump relay circuit problem, which the following steps will locate.

Test Number 2)  The next two steps check for power and ground circuits to the relay.

Test Number 3)  Determines if ECM can control the relay.

Test Number 4)  The oil pressure switch serves as a backup for the fuel pump relay to help prevent a "no start" situation. If the fuel pump relay was found to be inoperative, the oil pressure switch circuit should also be tested to determine why it did not operate the fuel pump.

Fig 1: Chart A-5 Schematic, Fuel Pump Ckt Diagnosis (S, T & M Series)
G50B15876Courtesy of GENERAL MOTORS CORP.
Fig 2: Flow Chart A-5, Fuel Pump Ckt Diagnosis (S, T & M Series)
G50C15877Courtesy of GENERAL MOTORS CORP.