LEMON Manuals: Even more car manuals for everyone
Home >> GMC >> 1982 >> Magnavan Automatic Trans, Trans Mfr CD 400/M40 >> Repair and Diagnosis (Single Page) >> Quick Lookups >> Electrical Component Locations >> Fuses & Circuit Breakers >> Fuse Block >> Fuse Block Circuits >> Van Models

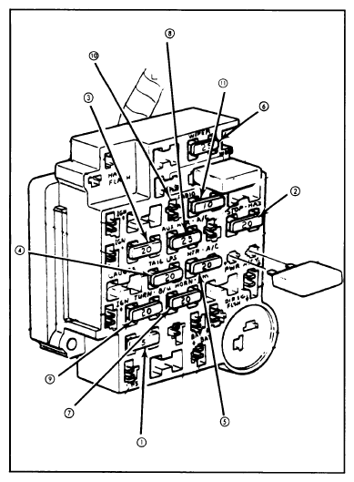
Van Models

  1. 5 amp.  Instrument panel lights.
  2. 20 amp.  Turn signal indicator light, stop lights and hazard lights.
  3. 20 amp.  Cruise control, gauges, warning lights and delay wiper.
  4. 20 amp.  License, parking, side marker and tail lights.
  5. 20 amp.  Front air conditioner and heater.
    Fig 1: Fuse Block for Van Models Fuse block is under instrument panel on driver's side.
    G09337448Courtesy of GENERAL MOTORS COMPANY
  6. 25 amp.  Windshield wiper.
  7. 20 amp.  Cigar lighter, clock, dome light, spot light and horn.
  8. 25 amp.  Rear air conditioner and auxiliary heater.
  9. 20 amp.  Turn signal indicator light, back-up light, front turn signal light and stop light.
  10. 20 amp.  Electric choke heater.
  11. 10 amp.  Idle stop solenoid, auxiliary battery and radio.