LEMON Manuals: Even more car manuals for everyone
Home >> Ford >> 2021 >> Edge ST-Line, FWD >> Repair and Diagnosis (Single Page) >> Transmission >> Automatic Trans >> Automatic Transmission - 8-Speed Automatic Transmission - 8F35/8F40 Part 1 >> Description And Operation >> Transmission Description - System Operation and Component Description >> Component Description >> System Diagram

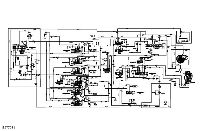
System Diagram

GFD595393Courtesy of FORD MOTOR COMPANY

8F35 Hydraulic Schematic