LEMON Manuals: Even more car manuals for everyone
Home >> Ford >> 2020 >> Explorer ST >> Repair and Diagnosis (Single Page) >> Engine Performance >> System >> Engine Controls - Pinpoint Test KF: Fan Control Relays Through Pinpoint Test Z: Intermittent - (Except Diesel & Hybrid) >> Pinpoint Test QA: Unable To Activate Self-Test/Network Communication Error >> Introduction

Pinpoint Test QA: Unable To Activate Self-Test/Network Communication Error: Introduction

This pinpoint test is intended to diagnose the following:

Fig 1: Electronic Throttle Body Throttle Position Sensor (ETBTPS) Connector
G13533322Courtesy of FORD MOTOR CO.

Harness Side

Circuit Pin
ETCREF (Electronic Throttle Control Reference Voltage) 5
ETCRTN (Electronic Throttle Control Return) 4
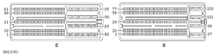
Fig 2: Powertrain Control Module (PCM) Connector - For PCM Connector Views
G13533323Courtesy of FORD MOTOR CO.

Harness Side

Circuit Pin
VPWR (Vehicle Power) B100
ISP-R (Ignition Switch Position Run) B64
PCMRC (PCM Relay Control) B25
VPWR (Vehicle Power) B102
VPWR (Vehicle Power) B101
PWRGND (Power Ground) B96
PWRGND (Power Ground) B97
PWRGND (Power Ground) B98
PWRGND (Power Ground) B99