LEMON Manuals: Even more car manuals for everyone
Home >> Ford >> 2020 >> Edge ST >> Repair and Diagnosis (Single Page) >> Transmission >> Automatic Trans >> Automatic Transmission, Transfer Case And Power Transfer Unit - 8-Speed Automatic Transmission - 8F57 (1 Of 2) >> Description And Operation >> Transmission Description - System Operation and Component Description >> Component Description >> System Diagram

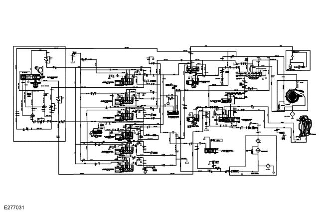
System Diagram

GFD526944Courtesy of FORD MOTOR COMPANY