LEMON Manuals: Even more car manuals for everyone
Home >> Ford >> 2013 >> Transit Connect XL >> Repair and Diagnosis (Single Page) >> Electrical >> Body Electrical >> OEM Wiring Diagrams Component Testing >> Component Testing >> Main Light Switch >> Schematic

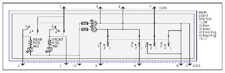
Main Light Switch: Schematic

Fig 1: Main Light Switch Schematic
G09083719Courtesy of FORD MOTOR CO.