LEMON Manuals: Even more car manuals for everyone
Home >> Ford >> 2013 >> Focus ST >> Repair and Diagnosis >> External Pages >> Different car >> Section 12 (OEM Wiring Diagrams) >> Module Communication Network

Module Communication Network

WARNING: This page is about a different car, the 2012 Ford Focus. However, it is still accessible from the selected car via links, so may be relevant.
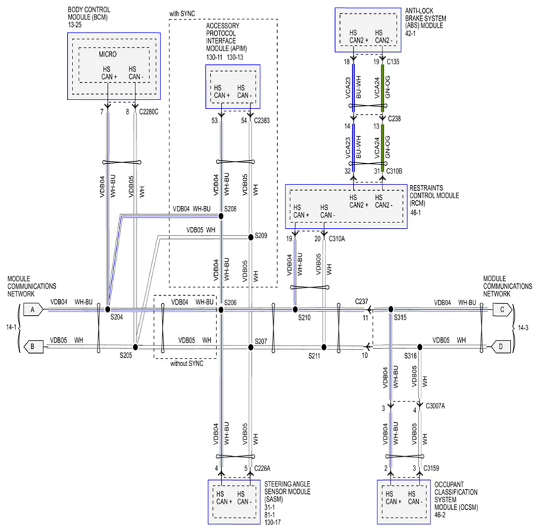
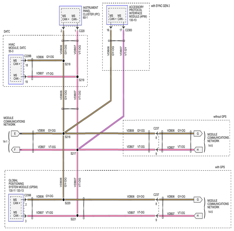
Fig 1: Module Communications Network Circuit Diagram (1 Of 6)
G07918717Courtesy of FORD MOTOR CO.
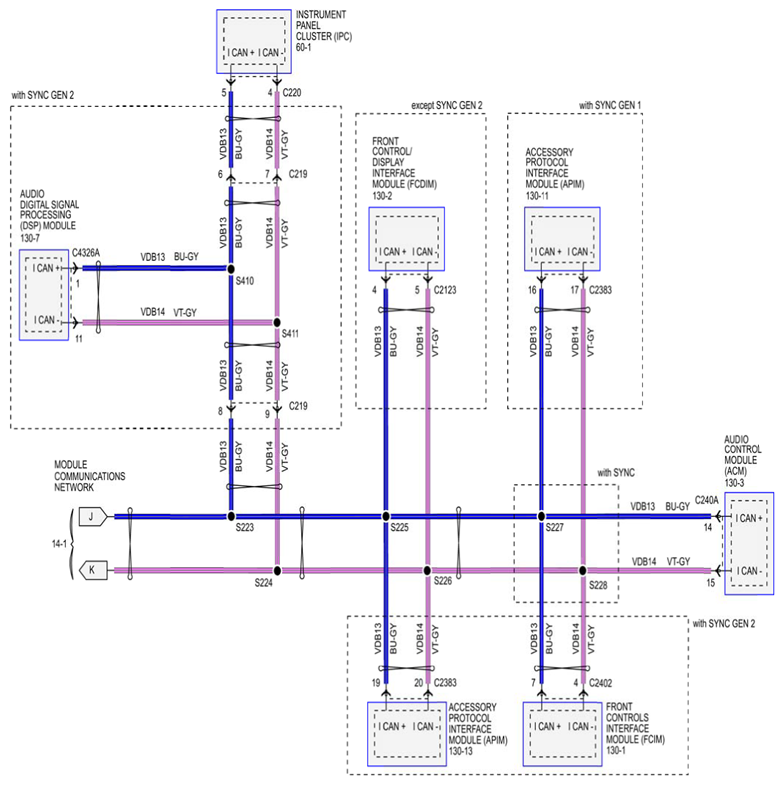
Fig 2: Module Communications Network Circuit Diagram (2 Of 6)
G07918718Courtesy of FORD MOTOR CO.
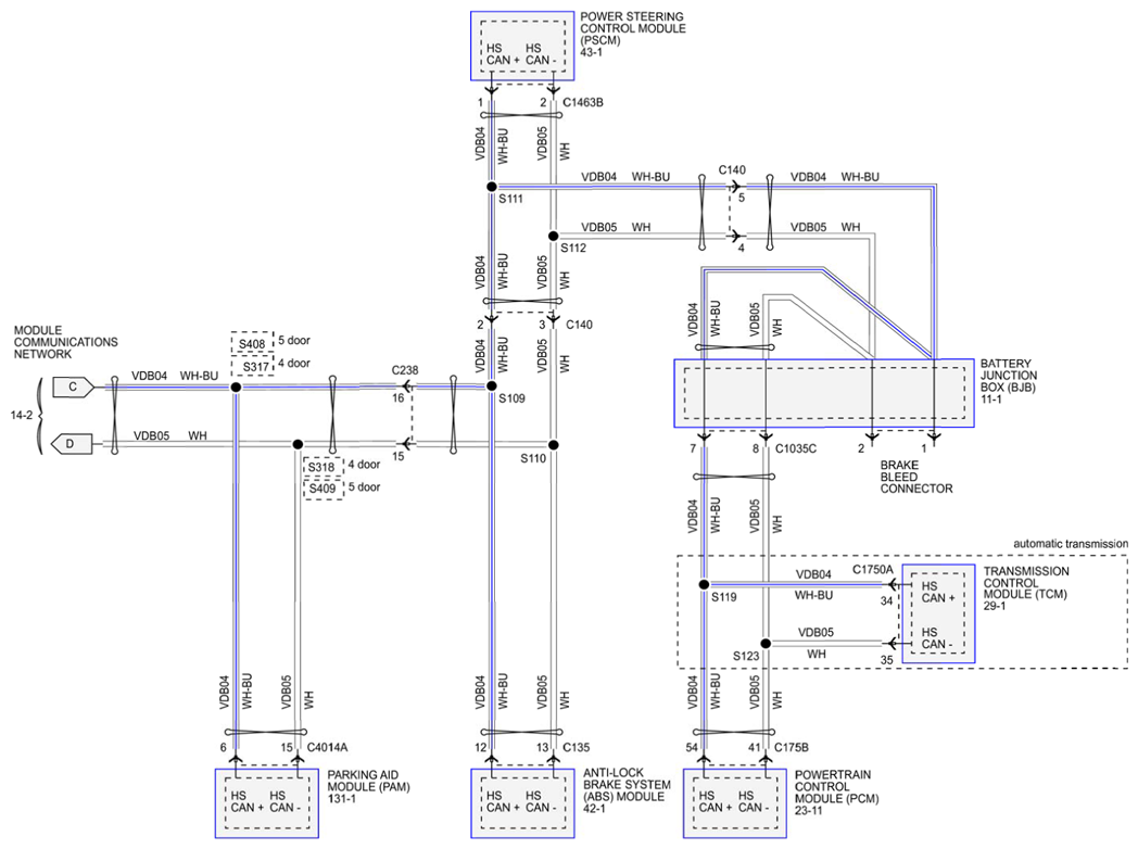
Fig 3: Module Communications Network Circuit Diagram (3 Of 6)
G07918719Courtesy of FORD MOTOR CO.
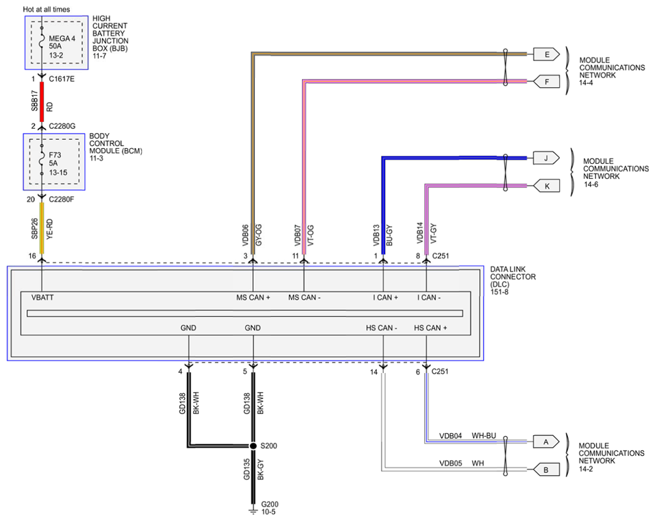
Fig 4: Module Communications Network Circuit Diagram (4 Of 6)
G07918720Courtesy of FORD MOTOR CO.
Fig 5: Module Communications Network Circuit Diagram (5 Of 6)
G07918721Courtesy of FORD MOTOR CO.
Fig 6: Module Communications Network Circuit Diagram (6 Of 6)
G07918722Courtesy of FORD MOTOR CO.