LEMON Manuals: Even more car manuals for everyone
Home >> Ford >> 2013 >> Focus S, Standard Trans, Gas >> Repair and Diagnosis >> External Pages >> Different car >> Section 10 (OEM Component Testing) >> Component Testing >> Start/stop switch >> Schematic

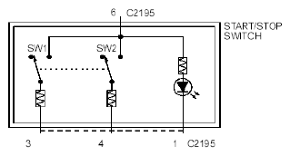
Start/stop switch: Schematic

WARNING: This page is about a different car, the 2012 Ford Focus. However, it is still accessible from the selected car via links, so may be relevant.
Fig 1: Start/Stop Switch - Component Testing
G07918192Courtesy of FORD MOTOR CO.