LEMON Manuals: Even more car manuals for everyone
Home >> Ford >> 2011 >> Taurus SE >> Repair and Diagnosis (Single Page) >> Accessories & Equipment >> Accessories Control Systems >> Component Testing >> Introduction >> Start / stop switch >> Schematic

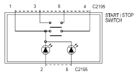
Start / stop switch: Schematic

Fig 1: Start / Stop Switch - Schematic
G07337040Courtesy of FORD MOTOR CO.