LEMON Manuals: Even more car manuals for everyone
Home >> Ford >> 2010 >> Taurus SE >> Repair and Diagnosis (Single Page) >> Engine Performance >> System >> Engine Controls - Pinpoint Test JD: Crankshaft Position (CKP) Sensor Through Pinpoint Test KJ: Supercharger Bypass Control - (Except Diesel & Hybrid) >> Pinpoint Test KC: Fuel Pump Control Module >> Introduction

Pinpoint Test KC: Fuel Pump Control Module: Introduction

This pinpoint test is intended to diagnose the following:

Fig 1: Fuel Pump Control Module Connector
G06290679Courtesy of FORD MOTOR CO.

Refer to the appropriate SYSTEM WIRING DIAGRAMS article for schematic and connector information.

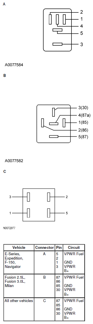
Fig 2: Fuel Pump Control Module Relay Connector
G06290680Courtesy of FORD MOTOR CO.
Fig 3: Inertia Fuel Shutoff (IFS) Switch Connector
G06290681Courtesy of FORD MOTOR CO.
Fig 4: Restraints Control Module (RCM) Connector
G06290682Courtesy of FORD MOTOR CO.

For PCM connector views or reference values, refer to REFERENCE VALUES .

POWERTRAIN CONTROL MODULE (PCM) CONNECTOR PIN REFERENCE CHART

Vehicle Connector Pin Circuit
E-Series 6.8L 170 Pin B21
B12
FPM
FPC
Flex 4V 3.5L,
MKS 3.7L,
MKT 3.7L,
Taurus 4V 3.5L
190-Pin B30
B62
FPM
FPC
All other vehicles 190-Pin B32
B19
FPM
FPC