LEMON Manuals: Even more car manuals for everyone
Home >> Ford >> 2010 >> Taurus SE >> Repair and Diagnosis (Single Page) >> Engine Performance >> System >> Engine Controls - Pinpoint Test JD: Crankshaft Position (CKP) Sensor Through Pinpoint Test KJ: Supercharger Bypass Control - (Except Diesel & Hybrid) >> Pinpoint Test KB: Fuel Pump Driver Module (FPDM) >> Introduction

Pinpoint Test KB: Fuel Pump Driver Module (FPDM): Introduction

WARNING: CROWN VICTORIA POLICE INTERCEPTOR VEHICLES EQUIPPED WITH FIRE SUPPRESSION SYSTEM, REFER TO APPROPRIATE FIRE SUPPRESSION ARTICLE FOR IMPORTANT SAFETY WARNINGS . FAILURE TO FOLLOW THESE INSTRUCTIONS MAY RESULT IN PERSONAL INJURY.

This pinpoint test is intended to diagnose the following:

Fig 1: Fuel Pump Driver Module (FPDM) Connector
G06290674Courtesy of FORD MOTOR CO.
Fig 2: Fuel Pump Driver Module 2 (FPDM2) Connector
G06290675Courtesy of FORD MOTOR CO.

Refer to the appropriate SYSTEM WIRING DIAGRAMS article for schematic and connector information.

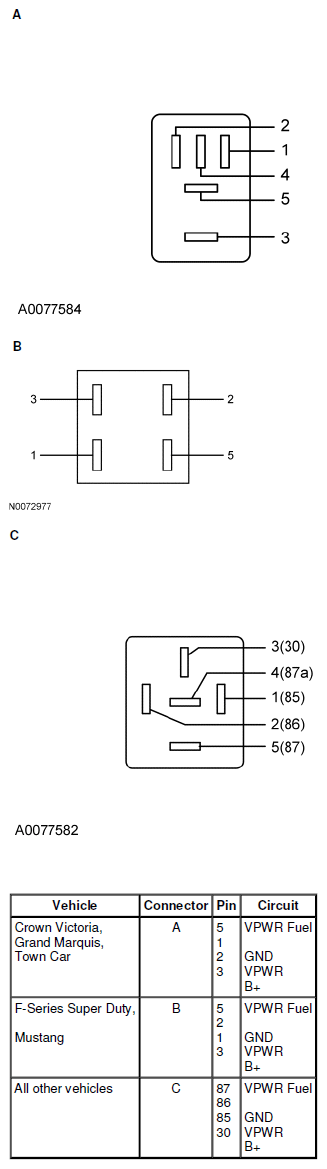
Fig 3: Fuel Pump Driver Module Power (FPDM PWR) Relay Connector
G06290676Courtesy of FORD MOTOR CO.

Refer to the appropriate SYSTEM WIRING DIAGRAMS article for schematic and connector information.

Fig 4: Fuel Pump Driver Module 2 Power (FPDM2 PWR) Relay Connector
G06290677Courtesy of FORD MOTOR CO.
Fig 5: Inertia Fuel Shutoff (IFS) Switch Connector
G06290678Courtesy of FORD MOTOR CO.

For PCM connector views or reference values, refer to REFERENCE VALUES .

POWERTRAIN CONTROL MODULE (PCM) CONNECTOR PIN REFERENCE CHART

Vehicle Connector Pin Circuit
Mustang 5.4L 170 Pin T18
B12
B21
FPM2
FPC
FPM
All other vehicles 170 Pin B12
B21
FPC
FPM