LEMON Manuals: Even more car manuals for everyone
Home >> Ford >> 2007 >> Focus ST >> Repair and Diagnosis (Single Page) >> Accessories & Equipment >> Accessories Control Systems >> Component Testing >> Component testing >> Multifunction switch (13K359) >> Schematic

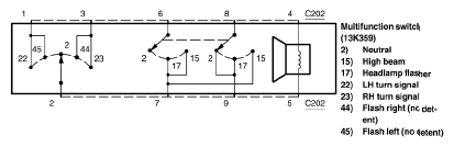
Multifunction switch (13K359): Schematic

Fig 1: Multifunction Switch (13K359) - Schematic
G05180392Courtesy of FORD MOTOR CO.