LEMON Manuals: Even more car manuals for everyone
Home >> Ford >> 2007 >> Focus ST >> Repair and Diagnosis (Single Page) >> Accessories & Equipment >> Accessories Control Systems >> Component Testing >> Component testing >> Main light switch (11654) >> Schematic

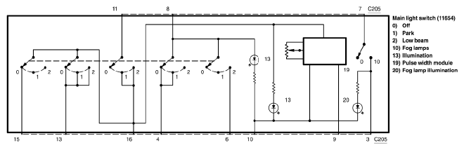
Main light switch (11654): Schematic

Fig 1: Main Light Switch (11654) - Schematic
G05180390Courtesy of FORD MOTOR CO.