LEMON Manuals: Even more car manuals for everyone
Home >> Ford >> 2007 >> Edge SEL Plus, AWD >> Repair and Diagnosis (Single Page) >> Accessories & Equipment >> Accessories Control Systems >> Component Testing >> Component Testing >> Relay - Mini ISO >> Relay - Ultra Micro ISO >> Schematic

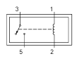
Relay - Ultra Micro ISO: Schematic

Fig 1: Relay - Ultra Micro ISO - Schematic
G05178990Courtesy of FORD MOTOR CO.