LEMON Manuals: Even more car manuals for everyone
Home >> Ford >> 2007 >> Edge SE, AWD >> Repair and Diagnosis (Single Page) >> Accessories & Equipment >> Accessories Control Systems >> Component Testing >> Component Testing >> Ignition switch >> Schematic

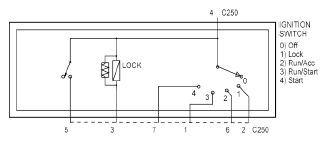
Ignition switch: Schematic

Fig 1: Ignition Switch - Schematic
G05178956Courtesy of FORD MOTOR CO.