LEMON Manuals: Even more car manuals for everyone
Home >> Ford >> 2006 >> Freestar Base >> Repair and Diagnosis (Single Page) >> Brakes >> Traction Control >> Anti-Lock Brake System >> Diagnosis And Testing >> Anti-Lock Control >> Pinpoint Tests >> Pinpoint Test A: No Communication With the Anti-Lock Brake System (ABS) Module >> Pinpoint Test A: No Communication With The Anti-Lock Brake System (Abs) Module

Pinpoint Test A: No Communication With The Anti-Lock Brake System (Abs) Module

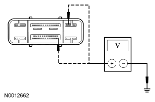
  1. A1 CHECK CIRCUITS 601 (LB/PK) AND 483 (RD) FOR AN OPEN 
    • Key in OFF position.
    • Disconnect: ABS Module C155.
    • Key in ON position.
    • Measure the voltage between ABS module C155-32, circuit 601 (LB/PK), harness side and ground; and between ABS module C155-2, circuit 483 (RD), harness side and ground.
      Fig 1: Checking Circuits 601 (LB/PK) And 483 (RD) For Open
      G04660089Courtesy of FORD MOTOR CO.
    • Are the voltages greater than 10 volts? 

    Yes  : GO to  A2.

    No  : VERIFY smart junction box (SJB) fuse 18 (10A) and bussed electrical center (BEC) fuse 8 (40A) are OK. If OK, REPAIR the affected circuit(s) for an open. REPEAT the self-test.

  2. A2 CHECK CIRCUIT 1205 (BK) FOR AN OPEN 
    • Key in OFF position.
    • Measure the resistance between ABS module C155-16, circuit 1205 (BK), harness side and ground; and between ABS module C155-45, circuit 1205 (BK), harness side and ground.
      Fig 2: Checking Circuit 1205 (BK) For Open
      G04660090Courtesy of FORD MOTOR CO.
    • Is the resistance less than 5 ohms? 

    Yes  : CHECK the module communications network. REFER to MODULE COMMUNICATIONS NETWORK .

    No  : REPAIR the affected circuit(s) for an open. REPEAT the self-test.