LEMON Manuals: Even more car manuals for everyone
Home >> Ford >> 2004 >> Freestar Base >> Repair and Diagnosis (Single Page) >> Engine Performance >> System >> Engine Controls - Pinpoint Test QB: DTCS P0603 Or P1633: Keep Alive Power Through Pinpoint Test Z: Intermittent - CNG, Flex-Fuel & Gasoline >> Pinpoint Test X: Constant Control Relay Module (CCRM) >> Introduction >> Notes

Pinpoint Test X: Constant Control Relay Module (CCRM): Introduction: Notes

NOTE: This pinpoint test is intended to diagnose the following:
  • CCRM (12B581 12B577).
  • Harness circuits: B+, FC,LFC, HFC, ACCS, WAC, VPWR, ACC PWR, FAN PWR, GND.
  • PCM (12A650).
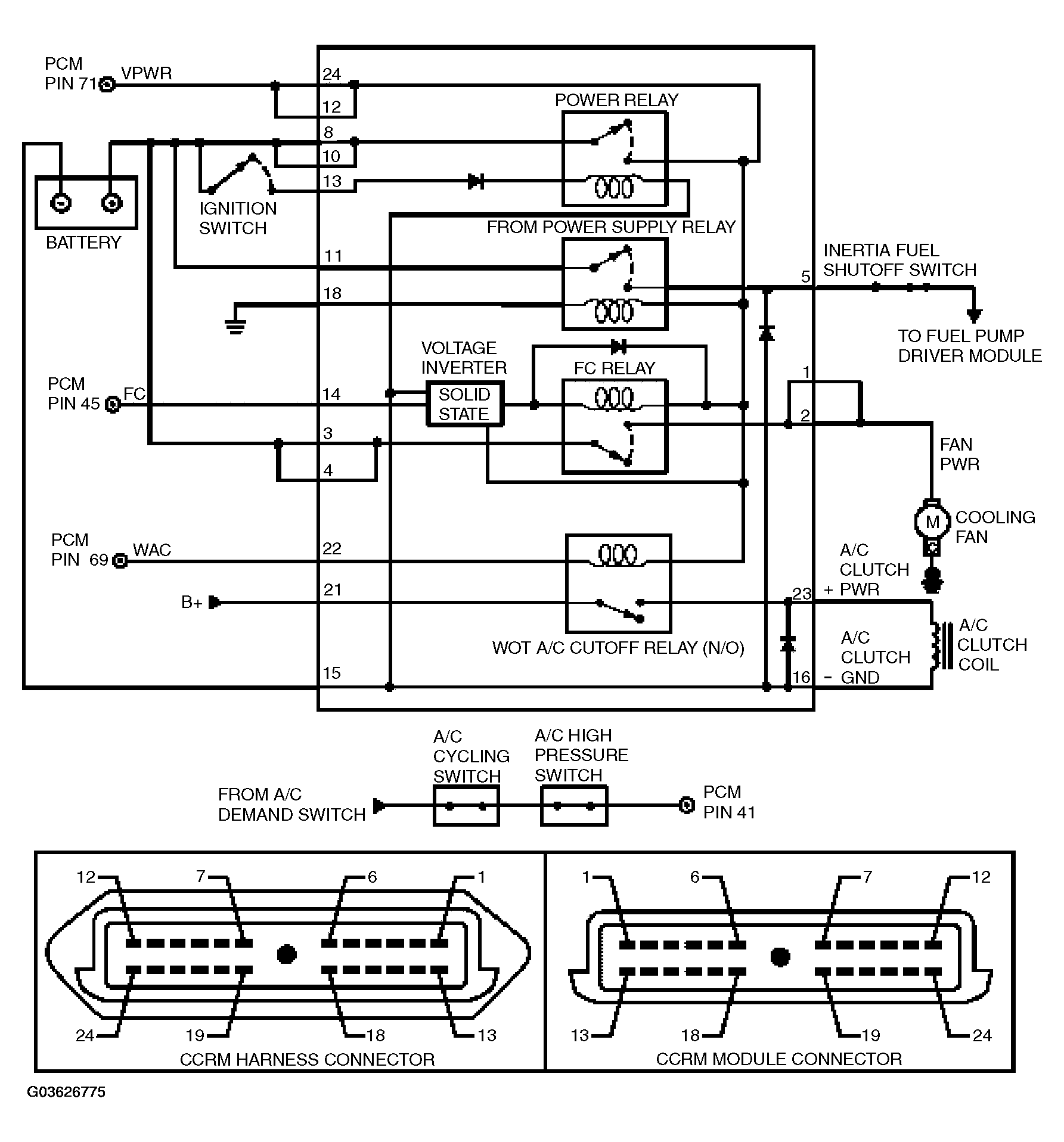
Fig 1: Identifying Constant Control Relay Module (CCRM) - 3.8L/3.9L Mustang
G03626775Courtesy of FORD MOTOR CO.
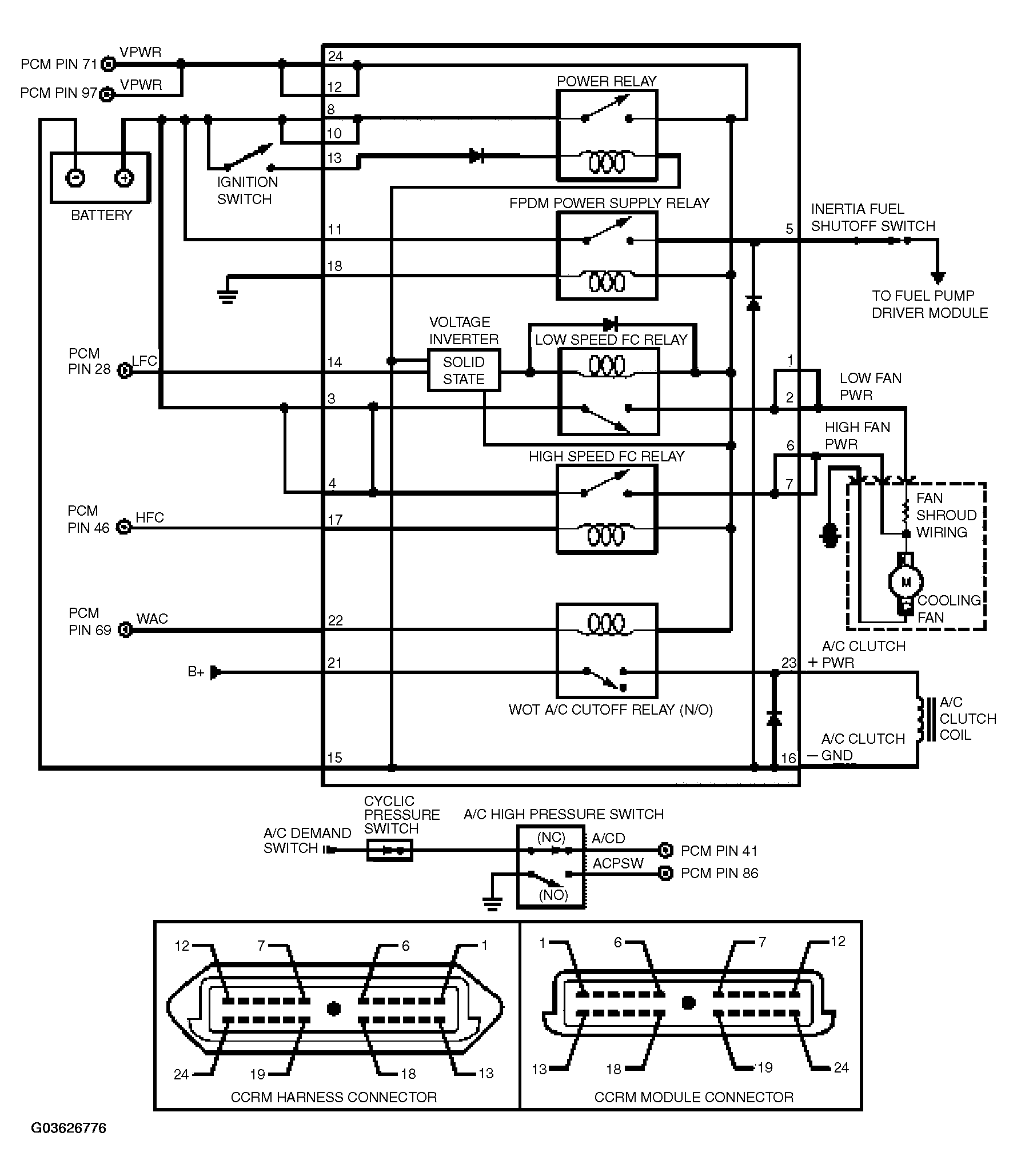
Fig 2: Identifying Constant Control Relay Module (CCRM) - 4.6L Mustang
G03626776Courtesy of FORD MOTOR CO.