LEMON Manuals: Even more car manuals for everyone
Home >> Ford >> 2003 >> Windstar Base >> Repair and Diagnosis (Single Page) >> Steering >> Steering Column >> Steering System-General Information >> Description And Operation >> Steering System >> Steering System Components - 3.8L Engine (CIII Power Steering Pump)

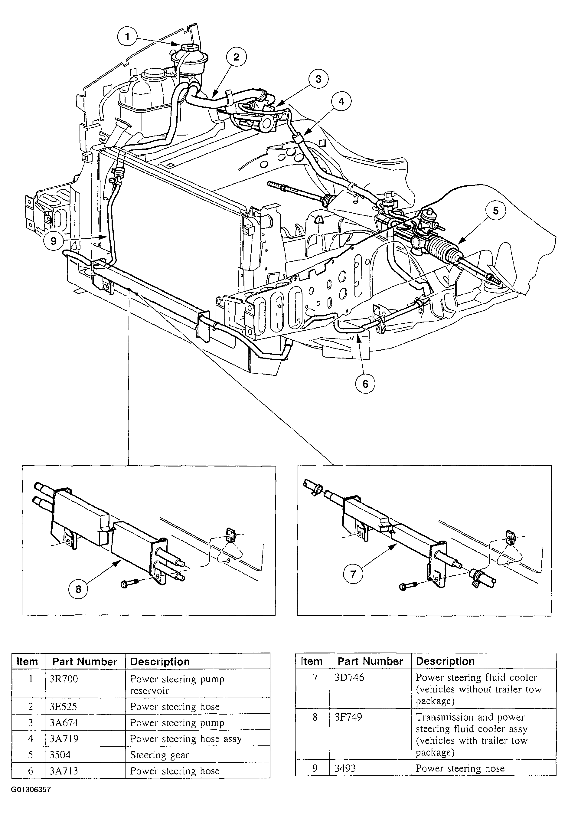
Steering System Components - 3.8L Engine (CIII Power Steering Pump)

Fig 1: Identifying Steering System Components - 3.8 L Engine (CIII Power Steering Pump)
G01306357Courtesy of FORD MOTOR CO.

For additional information on the power steering pump reservoir (3R700), refer to POWER STEERING .

For additional information on the steering wheel and column assembly, refer to STEERING COLUMN .

For additional information on the power steering hoses, refer to POWER STEERING .

For additional information on the power steering fluid cooler (3D746) and the transmission and power steering fluid cooler assembly (3F749), refer to POWER STEERING .

For additional information on the power steering pump (3A674), refer to POWER STEERING .

For additional information on the steering gear (3504), refer to POWER STEERING .