LEMON Manuals: Even more car manuals for everyone
Home >> Ford >> 2002 >> Focus SVT >> Repair and Diagnosis >> External Pages >> Different car >> Section 1465 (Module Communications Network System) >> Diagnosis And Testing >> Communications Network - Hybrid >> Pinpoint Test N: The Powertrain Control Module (PCM) Does Not Respond To The Diagnostic Tool >> Pinpoint Test N: The Powertrain Control Module (Pcm) Does Not Respond To The Diagnostic Tool

Pinpoint Test N: The Powertrain Control Module (Pcm) Does Not Respond To The Diagnostic Tool

WARNING: This page is about a different car, the 2006 Mercury Mariner and 2006 Ford Escape. However, it is still accessible from the selected car via links, so may be relevant.
WARNING: The traction battery and charging system contains high voltage components and wiring. High voltage insulated safety gloves and a face shield must be worn when carrying out any diagnostics on this vehicle. Failure to follow these instructions may result in severe personal injury or death.
CAUTION: Use the correct probe adaptor(s) when making measurements. Failure to use the correct probe adaptor(s) may damage the connector.
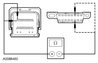
  1. N1 CHECK THE HIGH SPEED CAN CIRCUITS BETWEEN THE PCM AND THE DLC FOR AN OPEN 
    • Key in OFF position.
    • Disconnect: PCM C175b.
    • Measure the resistance between the PCM C175b-11, circuit 1908 (WH), harness side and the DLC C251-6, circuit 1908 (WH), harness side; and between the PCM C175b-23, circuit 1909 (BK), harness side and the DLC C251-14, circuit 1909 (BK), harness side.
      Fig 1: Checking High Speed CAN Circuits Between PCM And DLC For An Open
      G04622098Courtesy of FORD MOTOR CO.
    • Are the resistances less than 5 ohms? 

    Yes  : GO to N2.

    No  : REPAIR the circuit in question. CONNECT the PCM C175b. CLEAR the DTCs. REPEAT the self-test. CARRY OUT the diagnostic tool data link test.

  2. N2 CHECK FOR CORRECT PCM OPERATION 
    • Disconnect all the PCM connectors.
    • Check for:
      • corrosion
      • pushed-out pins
    • Connect all the PCM connectors and make sure they seat correctly.
    • Operate the system and verify the concern is still present.
    • Is the concern still present? 

    Yes  : DIAGNOSE the high speed CAN. GO to PINPOINT TEST P .

    No  : The system is operating correctly at this time. The concern may have been caused by a loose or corroded connector. CLEAR the DTCs. REPEAT the self-test. CARRY OUT the diagnostic tool data link test.