LEMON Manuals: Even more car manuals for everyone
Home >> Ford >> 2000 >> ZX2 Standard >> Repair and Diagnosis >> External Pages >> Different car >> Section 563 (Speed Control System) >> Diagnosis And Testing >> Speed Control >> Pinpoint Tests >> Pinpoint Test A: The Speed Control Is Inoperative

Pinpoint Test A: The Speed Control Is Inoperative

WARNING: This page is about a different car, the 2004 Ford Focus. However, it is still accessible from the selected car via links, so may be relevant.

A1 CHECK OPERATION OF THE HORN 

Yes 

GO to A2.

No 

DIAGNOSE the clockspring. REFER to HORN .

A2 CHECK ON SWITCH OPERATION 

Yes 

Install fuse 53 (10A). GO to A3.

No 

Install fuse 53 (10A). GO to A5.

A3 CHECK SWITCH INPUT TO SPEED CONTROL ACTUATOR 

Yes 

GO to A6.

No 

GO to A4.

A4 CHECK CIRCUIT 8-PG13 (WH) FOR OPEN 

Yes 

GO to A5.

No 

REPAIR circuit 8-PG13 (WH). INSTALL the driver air bag. REFER to DRIVER-SIDE AIR BAG MODULE . TEST the system for normal operation.

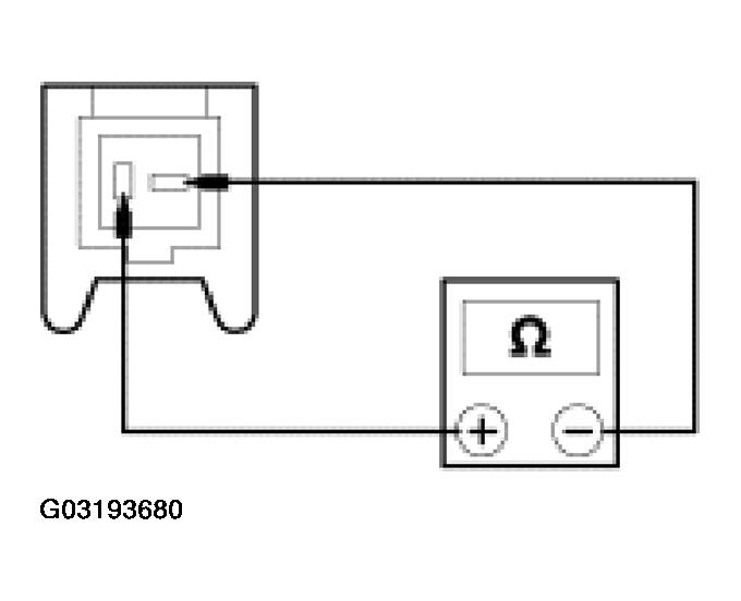
A5 CHECK CONTINUITY OF CLOCKSPRING 

Yes 

INSTALL a new speed control switch. INSTALL the driver air bag. REFER to DRIVER-SIDE AIR BAG MODULE . TEST the system for normal operation.

No 

INSTALL a new clockspring. INSTALL the driver air bag. REFER to AIR BAG RESTRAINT SYSTEMS . TEST the system for normal operation.

A6 CHECK CIRCUIT 91-PG12 (BK/WH) FOR OPEN 

Yes 

GO to A7.

No 

REPAIR the circuit. TEST the system for normal operation.

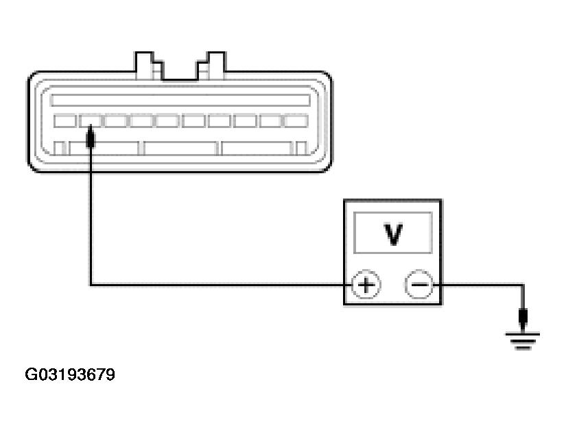
A7 CHECK CIRCUIT 15-PG12 (GN/WH) FOR VOLTAGE 

Yes 

GO to A8.

No 

CHECK fuse 53 (10A). If the fuse is blown, INSTALL a new fuse. TEST the system for normal operation. If the fuse blows again, check for short to ground. If the fuse is OK, REPAIR the circuit. TEST the system for normal operation.

A8 CHECK BRAKE PEDAL POSITION (BPP) SWITCH INPUT 

Yes 

GO to A12.

No 

GO to A9.

A9 CHECK BRAKE PEDAL POSITION (BPP) SWITCH 

Yes 

GO to A10.

No 

INSTALL a new BPP switch. TEST the system for normal operation.

A10 CHECK CIRCUIT 15-PG6 (GN/YE) FOR VOLTAGE 

Yes 

GO to A11.

No 

CHECK fuse 54 (15A). If the fuse is blown, INSTALL a new fuse. TEST the system for normal operation. If the fuse blows again, check for short to ground. If the fuse is OK, REPAIR the circuit. TEST the system for normal operation.

A11 CHECK CIRCUIT 15S-PG16 (GN/YE) FOR OPEN 

Yes 

ADJUST the BPP switch. TEST the system for normal operation.

No 

REPAIR the circuit. TEST the system for normal operation.

A12 CHECK STOPLAMP SWITCH SIGNAL TO ACTUATOR 

Yes 

GO to A15.

No 

Vehicles with manual transaxle, GO to A13. If the stoplamps operate correctly, REPAIR the circuit. TEST the system for normal operation. If the stoplamps do not operate correctly, refer to EXTERIOR LIGHTING .

A13 CHECK POWER TO CLUTCH PEDAL POSITION (CPP) SWITCH 

Yes 

GO to A14.

No 

REPAIR the circuit. TEST the system for normal operation.

A14 CHECK CLUTCH PEDAL POSITION (CPP) SWITCH 

Yes 

REPAIR circuit 15S-PG17 (GN/BU). TEST the system for normal operation.

No 

ADJUST or INSTALL a new CPP switch. TEST the system for normal operation.

A15 CHECK VEHICLE SPEED SENSOR (VSS) SIGNAL FOR ACTUATOR 

Yes 

REPAIR circuit 8-RE22 (WH/VT). Test the system for normal operation.

No 

RETRIEVE any stored DTCs. If there are no DTCs, INSTALL a new speed control actuator. TEST the system for normal operation.