LEMON Manuals: Even more car manuals for everyone
Home >> Ford >> 2000 >> Contour SVT >> Repair and Diagnosis >> External Pages >> Different car >> Section 1230 (Component Testing) >> Component Testing >> Seat adjust switch, driver side front (14A701) >> Schematic

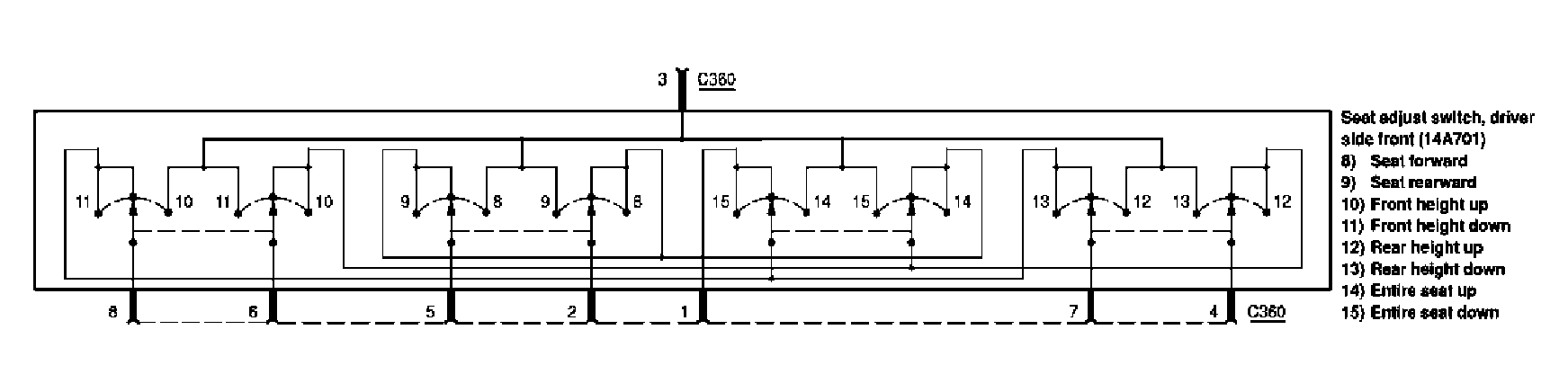
Seat adjust switch, driver side front (14A701): Schematic

WARNING: This page is about a different car, the 2005 Ford RV Cutaway, 2005 Ford Econoline, 2005 Ford E450 Super Duty, and 2005 Ford Cutaway. However, it is still accessible from the selected car via links, so may be relevant.
Fig 1: Seat Adjust Switch, Driver Side Front (14A701) - Schematic
G03993049Courtesy of FORD MOTOR CO.