LEMON Manuals: Even more car manuals for everyone
Home >> Ford >> 1999 >> Taurus SHO >> Repair and Diagnosis >> Body & Frame >> Windows >> Power Window System >> Component Tests >> Master Window Control Switch

Master Window Control Switch

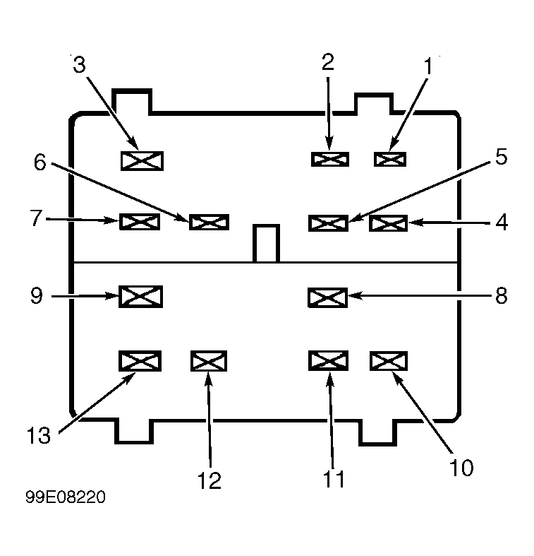
NOTE: In wiring diagram, master window control switch harness connectors are labeled as C501 and C509. In master window control switch test, terminal numbers have been changed to for clarity. Identification has been changed for test references only.

Remove master window control switch from vehicle. Check continuity between specified terminals while operating switch to specified position. See MASTER WINDOW CONTROL SWITCH TESTING  table. See Fig 1 . Replace master window control switch if continuity between specified terminals is not as specified.

MASTER WINDOW CONTROL SWITCH TESTING

Switch Position Terminals No. Continuity
Any 8 & 9 No
Neutral 4, 5, 6, 7, 8, 10, 11, 12 & 13 Yes
Lock-Out Circuit
Locked 3 & 9 No
Unlocked 3 & 9 Yes
Driver's Side
Up 8 & 11; 9 & 10 Yes
Down 8 & 10; 9 & 11 Yes
Passenger's Side
Up 8 & 12; 9 & 13 Yes
Down 8 & 13; 9 & 12 Yes
Left Rear
Up 6 & 9; 7 & 8 Yes
Down 6 & 8; 7 & 9 Yes
Right Rear
Up 4 & 9; 5 & 8 Yes
Down 4 & 8; 5 & 9 Yes
Fig 1: Identifying Power Window Master Switch Terminals
G99E08220Courtesy of FORD MOTOR CO.