LEMON Manuals: Even more car manuals for everyone
Home >> Ford >> 1997 >> Probe Base, Standard >> Repair and Diagnosis >> External Pages >> Different car >> Section 7 (Remote Keyless Entry System) >> Component Testing >> Door Lock Switch Test

Door Lock Switch Test

WARNING: This page is about a different car, the 1997 Mercury Tracer and 1997 Ford Escort. However, it is still accessible from the selected car via links, so may be relevant.

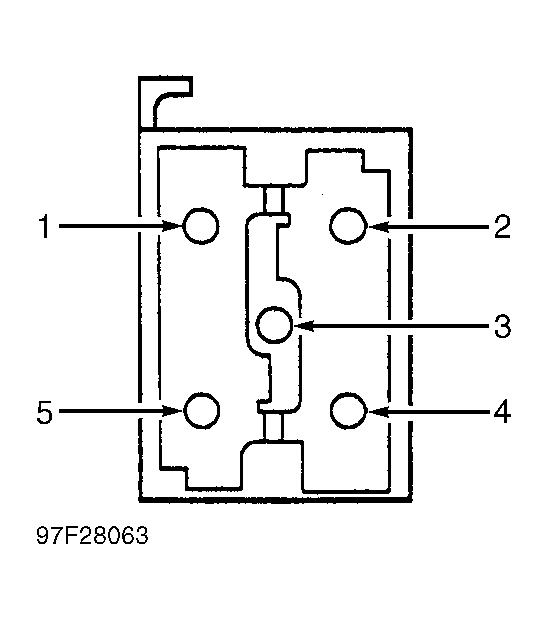
Disconnect and remove power door lock switch. See DOOR LOCK SWITCH  under REMOVAL & INSTALLATION. With switch "U" button depressed, measure resistance between switch terminals No. 2 and 3. See Fig 1 . Resistance should be less than 5 ohms. With switch "L" button depressed, measure resistance between switch terminals No. 3 and 5. Resistance should be less than 5 ohms. If resistances are not as specified, replace switch.

Fig 1: Identifying Door Lock Switch Terminals
G97F28063Courtesy of FORD MOTOR CO.