LEMON Manuals: Even more car manuals for everyone
Home >> Ford >> 1993 >> Probe Base, Automatic >> Repair and Diagnosis (Single Page) >> Engine Performance >> Wiring Diagrams >> Engine Control System Wiring Diagrams >> 2.0L W/ Man. Trans.

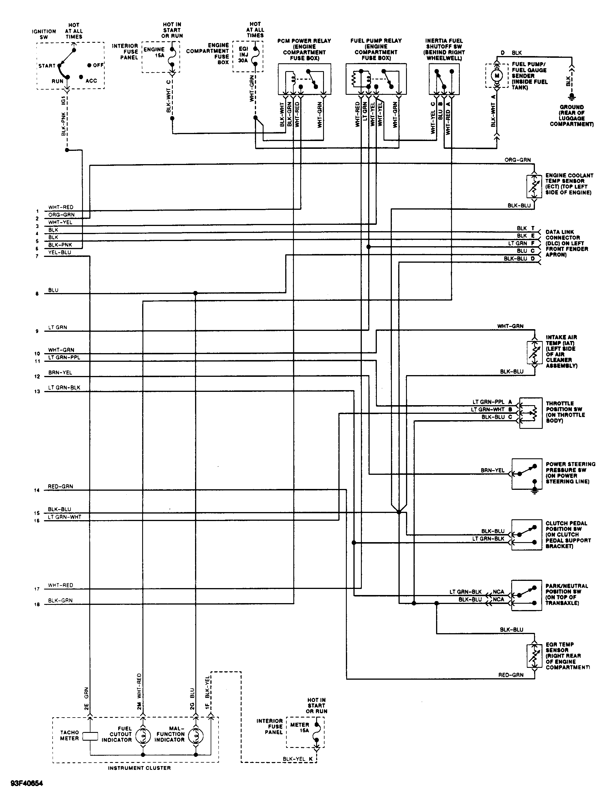
2.0L W/ Man. Trans.

Fig 1: EEC-IV Wiring Diagram (Probe 2.0L M/T - 1 of 2)
G93E40653
Fig 2: EEC-IV Wiring Diagram (Probe 2.0L M/T - 2 of 2)
G93F40654