LEMON Manuals: Even more car manuals for everyone
Home >> Ford >> 1992 >> Probe GL, Standard >> Repair and Diagnosis >> Engine Performance >> Remove, Overhaul & Install >> Engine Controls - Remove/Install/Overhaul >> Fuel System >> INTERCOOLER >> Installation

Fuel System: INTERCOOLER: Installation

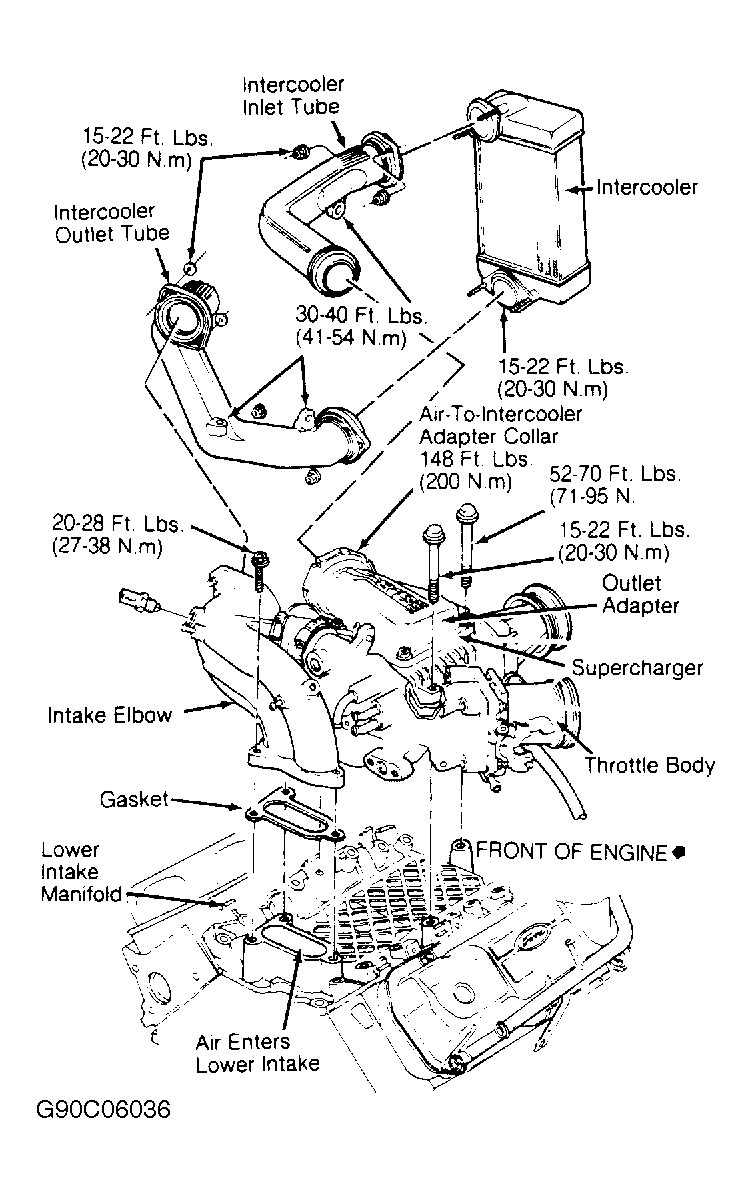
  1. Install Teflon tape to circumference of seat surfaces of intercooler inlet and outlet tubes. Keep tape close to inner diameter, and overlap ends by 1/4".
  2. Install intercooler retaining clips. Install retaining nuts and washers. Ensure air boot fits on intercooler and no gaps exist. Install inlet and outlet tubes on intercooler.
  3. Tighten inlet and outlet tube-to-intercooler nuts to specification. See TORQUE SPECIFICATIONS  at end of article. Ensure clamping connectors on inlet and outlet tubes at intercooler are parallel to intercooler surface. Tighten inlet tube-to-alternator/power steering bracket nut to specification. Operate engine and check for leaks.
Fig 1: Exploded View of Fuel Charging Assembly (3.8L Supercharged)
G90C06036Courtesy of FORD MOTOR CO.