LEMON Manuals: Even more car manuals for everyone
Home >> Ford >> 1989 >> Probe GL, Automatic >> Repair and Diagnosis >> Engine Performance >> System >> 2.2L Systems/Tests W/Codes >> Circuit Tests >> Circuit Test B9 - EGR Valve Position Sensor (EVP)

Circuit Test B9 - EGR Valve Position Sensor (EVP)

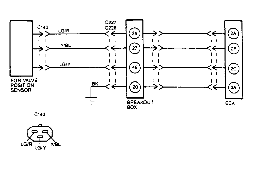
Fig 1: EVP Sensor Circuit
G108501
NOTE: Enter this test only when Code 16 is displayed during the QUICK TEST procedure or when directed here from another CIRCUIT TEST. To prevent replacement of good components, be aware that the following non-EEC components may be at fault: damaged EGR valve, and blocked or obstructed vacuum lines. This test is intended to diagnose only the following components: EVP sensor, ECA, wiring harness and VREF, EVP and Signal Return circuits.
  1. Checking System Integrity  - Visually check all wiring, harnesses, connectors and components for evidence of damage, overheating, shorting or looseness. If a fault is found, repair as necessary. If no faults are found, go to next step.
  2. Checking VREF & Signal Return Circuits  - Install breakout box and set VOM on 20-volt scale. Turn key on and measure VREF and Signal Return voltage at the breakout box. If all voltage readings are within specifications, go to next step. If voltage readings are not to specification, go to CIRCUIT TEST A3  , step 1).
    VREF & SIGNAL RETURN VOLTAGE

    Test Pins Volts
    26 & 20 4-6
    26 & 46 4-6
    20 & 46 0
  3. Checking EVP Voltage Circuit  - Install breakout box and set VOM on 20-volt scale. Disconnect vacuum hose from EVP. Connect vacuum pump to EVP. Turn key on and measure voltage between test pins No. 27 and 46. With zero vacuum, voltage should be 0.25-0.95 volt. Increase vacuum to 4.7 in. Hg, voltage should be approximately 4.0 volts. If both readings are within specification, replace ECA. If voltage readings are not to specification, go to next step.
  4. Checking Power At EVP Sensor  - Set VOM on 20-volt scale. Turn key on and measure voltages at EVP sensor connector. See EVP SENSOR VOLTAGE  table. If all voltages are within specification, go to next step. If not, repair "LG/R wire" or "LG/Y wire" between ECA and EVP sensor.
    EVP SENSOR VOLTAGE

    Circuit Volts
    LG/R wire to ground 4-6
    LG/R wire to LG/Y wire 4-6
    LG/Y wire to ground 0
  5. Checking EVP Sensor Voltage  - Set VOM on 20-volt scale. Disconnect vacuum hose from EVP. Leave EVP sensor connector. Connect vacuum pump to EVP. DO NOT  pierce wire, backprobe sensor connect. Turn key on and measure voltage between "Y/BL wire" and ground. With zero vacuum, voltage should be 0.25-0.95 volt. Increase vacuum to 4.7 in. Hg, voltage should be approximately 4.0 volts. If both readings are within specification, repair open in "Y/BL wire" between EVP sensor and ECA. If voltage readings are not to specification, replace EVP sensor.