LEMON Manuals: Even more car manuals for everyone
Home >> Ford >> 1989 >> Probe GL, Automatic >> Repair and Diagnosis >> Engine Performance >> System >> 2.2L Systems/Tests W/Codes >> Circuit Tests >> Circuit Test B7 - Cylinder Identification Sensor

Circuit Test B7 - Cylinder Identification Sensor

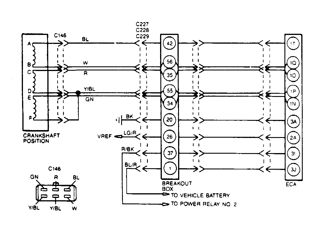
Fig 1: CID Circuit
G108499
NOTE: Enter this test only when Codes 03 or 04 are displayed during the QUICK TEST procedure or when directed here from another CIRCUIT TEST. To prevent replacement of good components, be aware that the following non-EEC components may be at fault: non-electronic components of ignition system. This test is intended to diagnose only the following components: cylinder identification sensor, ECA, wiring harness and CID circuit.
NOTE: The CID is incorporated with the Crankshaft Position (CPS), inside the distributor.
  1. Checking System Integrity  - Visually check all wiring, harnesses, connectors and components for evidence of damage, overheating, shorting or looseness. If a fault is found, repair as necessary. If no faults are found, go to next step.
  2. Checking CID Circuit Resistance  - Turn key off and install breakout box. Leave ECA disconnected. Set VOM on 1k-ohm scale. Check the following resistances. If all resistances are within specification, go to step 5). If not, go to next step.
    CID CIRCUIT RESISTANCE

    Breakout Box Test Pin Ohms
    No. 34 & 55 210-260
    No. 35 & 55 210-260
    No. 34 & 35 420-520
  3. Checking CID Sensor Resistance  - Turn key off and disconnect CID sensor. Set VOM on 1k-ohm scale. Measure resistance between the following terminals at the crankshaft position sensor harness connector.
    • Terminals "C" (Red wire) and "D" (Yellow/Blue wire)
    • Terminals "E" (Green wire) and "F" (Yellow/Blue wire)

    If both resistances are 210-260 ohms, go to next step. If either resistance is not to specification, replace CID sensor.

  4. Checking For Opens In Harness Between ECA & CID  - Turn key off and install breakout box. Set VOM on 200-ohm scale. Measure resistance between the following wires at the sensor connector and the breakout box:
    • Red wire and test pin No. 35
    • Yellow/Blue wire(s) and test pin No. 55
    • Green wire and test pin No. 34

    If all resistances are less than 5 ohms, check for shorts to VPWR and repair as necessary. If resistances are not less than 5 ohms, repair open circuits as necessary.

  5. Checking CID Voltage Circuit  - Install breakout box and set VOM on 20-volt scale. With KOER (engine at idle), measure the following voltages at the breakout box:
    • Test pins No. 34 and 20 (ground)
    • Test pins No. 35 and 20 (ground)
    • Test pins No. 55 and 20 (ground)

    If all voltages are approximately 0.6-0.8 volt, replace ECA. If voltages are not approximately 0.6-0.8 volt, go to next step.

  6. Checking For Shorted CID Voltage Circuit  - Turn key off and install breakout box. Leave ECA disconnected. Set VOM on 200-ohm sale. Measure resistance at the breakout box between the following test pins:
    • Pin No. 34 and pins No. 1, 26, 37, 20
    • Pin No. 35 and pins No. 1, 26, 37, 20
    • Pin No. 55 and pins No. 1, 26, 37, 20

    If any resistance is less than 5 ohms, repair short(s) as necessary. If any resistance is not less than 5 ohms, replace ECA.