LEMON Manuals: Even more car manuals for everyone
Home >> Ford >> 1989 >> Probe GL, Automatic >> Repair and Diagnosis >> Engine Performance >> System >> 2.2L Systems/Tests W/Codes >> Circuit Tests >> Circuit Test B5 - Throttle Position (TP) Sensor

Circuit Test B5 - Throttle Position (TP) Sensor

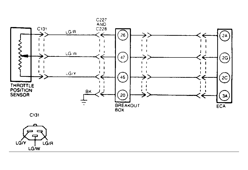
Fig 1: TP Sensor Circuits
G108497
NOTE: Enter this test only when a Code 12 is displayed during the QUICK TEST procedure or when directed here from another CIRCUIT TEST. To prevent replacement of good components, be aware that the following non-EEC components may be at fault: idle speed or throttle stop adjustments. Binding throttle shaft or linkage. Binding cruise control linkage. This test is intended to diagnose only the following components: TP sensor, ECA, and wiring harness circuits (VREF, TP signal and signal return).
  1. Checking System Integrity  - Visually check all wiring, harnesses, connectors and components for evidence of damage, overheating, shorting or looseness. If a fault is found, repair as necessary. If no faults are found, go to next step.
  2. Checking VREF & Signal Return  - Install breakout box and set VOM on 20-volt scale. Turn key on. Measure voltages between pins as shown in VREF & SIGNAL RETURN CHECKS  table. If all voltage readings are within specifications, go to step 3). If readings are not to specifications, go to CIRCUIT TEST A3  , step 1).
    VREF & SIGNAL RETURN CHECKS

    Test Pins at Breakout Box Volts
    Between Pins No. 26 & 20 4-6
    Between Pins No. 26 & 46 4-6
    Between Pins No. 20 & 46 4
  3. Checking TP Voltage  - Install breakout box. Set VOM on 20-volt scale and turn key on. Measure voltage between test pins No. 46 and 47. With throttle closed, voltage should be 0.36-0.66 volt. At Wide Open Throttle (WOT), voltage should be approximately 4.3 volts. If both readings are within specifications, replace ECA. If not, go to next step.
  4. Checking Power at TP Sensor  - Set VOM on 20-volt scale. Turn key on. Measure voltage at the TP sensor for circuits shown in VOLTAGE CHECKS AT TP SENSOR  table. If all readings are to specifications, go to next step. If voltage readings are not to specifications, repair "LG/R" and/or "LG/Y" wire(s) from TP sensor to ECA.
    VOLTAGE CHECKS AT TP SENSOR

    TP Circuits Volts
    "LG/R" wire to ground 4-6
    "LG/R" to "LG/Y" wire 4-6
    "LG/Y" wire to ground 0
  5. Checking TP Sensor Voltage  - Leave TP sensor connected for this test. DO NOT  pierce wire, backprobe at harness connector. Set VOM on 20-volt scale. Turn key on. Measure voltage at TP sensor between "LG/W" wire and ground. With throttle closed, voltage should be 0.36-0.66 volt. At Wide Open Throttle (WOT), voltage should be approximately 4.3 volts. If both readings are within specifications, repair open in "LG/W" wire between TP sensor and ECA. If not, adjust or replace TP sensor.