LEMON Manuals: Even more car manuals for everyone
Home >> Ford >> 1989 >> Probe GL, Automatic >> Repair and Diagnosis >> Engine Performance >> System >> 2.2L Systems/Tests W/Codes >> Circuit Tests >> Circuit Test B4 - Knock Sensor & Knock Control Unit

Circuit Test B4 - Knock Sensor & Knock Control Unit

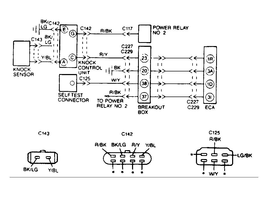
Fig 1: KS Sensor Circuits
G108496
NOTE: Enter this test only when a Code 05 is displayed during the QUICK TEST procedure or when directed here from another CIRCUIT TEST. To prevent replacement of good components, be aware that the following non-EEC areas may be at fault: fuel quality, basic mechanical engine components and spark timing. This test is intended to diagnose only the following components: knock sensor, ECA, and wiring harness circuits (KA and signal return).
  1. Checking System Integrity  - Visually check all wiring, harnesses, connectors and components for evidence of damage, overheating, shorting or looseness. If a fault is found, repair as necessary. If no faults are found, go to next step.
  2. Checking KCU Voltage  - Install breakout box. Leave ECA disconnected and set VOM on 20-volt scale. With key on, measure voltage between test pins No. 23 and 20 (ground). Tap lightly on engine lifting "eye" bracket with a small (4 oz.) hammer while varying engine speed between 2500 and 4000 RPM. Voltage should be 3.3-5.0 volts and decrease when engine is tapped with hammer. If test is to specification, go to step 8). If not, go to next step.
  3. Checking KCU Power  - Set VOM on 20-volt scale. Turn key on and measure voltage between the "R/BK" wire at the KCU and ground. If voltage is greater than 10.0 volts, go to step 5). If voltage is 10.0 volts or less, go to next step.
  4. Checking Power at Relay No. 2  - DO NOT  disconnect relay or pierce wire. Set VOM on 20-volt scale. Turn key on. Measure voltage between "BK/LG" wire at power relay and ground. If voltage is greater than 10.0 volts, repair "BK/LG" wire from relay to KCU. If voltage is less than 10.0 volts, go to CIRCUIT TEST A2  .
  5. Checking KCU Ground Circuit  - Set VOM on 200-ohm scale. Turn key on. Measure resistance between "BK/LG" wire at KCU and ground. If resistance is greater than 5 ohms, repair ground connection or open in "BK/LG" wire. If resistance is less than 5 ohms, go to next step.
  6. Checking Voltage to "C" Terminal at KCU  - Leave KCU connected, DO NOT  pierce wire. Turn key on and set VOM on 20-volt scale. Measure voltage between "R/Y" wire at KCU and ground. Tap lightly on engine lifting "eye" bracket with a small (4 oz.) hammer while varying engine speed between 2500 and 4000 RPM. Voltage should be 3.3-5.0 volts and decrease when engine is tapped with hammer. If test is to specification, repair open or short to VPWR in "R/Y" wire from KCU to ECA. If voltage does not test to specification, go to next step.
  7. Checking KS Voltage  - Disconnect KS. Set VOM on 1-volt AC scale. Measure voltage at KS between "Y/BL" wire and "BK" wire. Tap lightly on engine lifting "eye" bracket with a small (4 oz.) hammer. If voltage reads zero volts normally and about .03 volt while tapping, replace KCU. If not, replace KS.
  8. Checking KCU Voltage at Self-Test Output (STO)  - Install breakout box and set VOM on 20-volt scale. Ensure all accessories are turned off. Ground STI connector. Turn key on. Measure voltage between test pins No. 37 and 38. Tap lightly on engine lifting "eye" bracket with a small (4 oz.) hammer. If voltage reads zero volts normally and about 10.0 volts while tapping, the system is okay, return to DIAGNOSTIC ROUTINES  . If voltage readings are not as specified, replace ECA.