LEMON Manuals: Even more car manuals for everyone
Home >> Ford >> 1989 >> Probe GL, Automatic >> Repair and Diagnosis >> Engine Performance >> System >> 2.2L Systems/Tests W/Codes >> Circuit Tests >> Circuit Test B3 - Barometric Pressure (BP) Sensor

Circuit Test B3 - Barometric Pressure (BP) Sensor

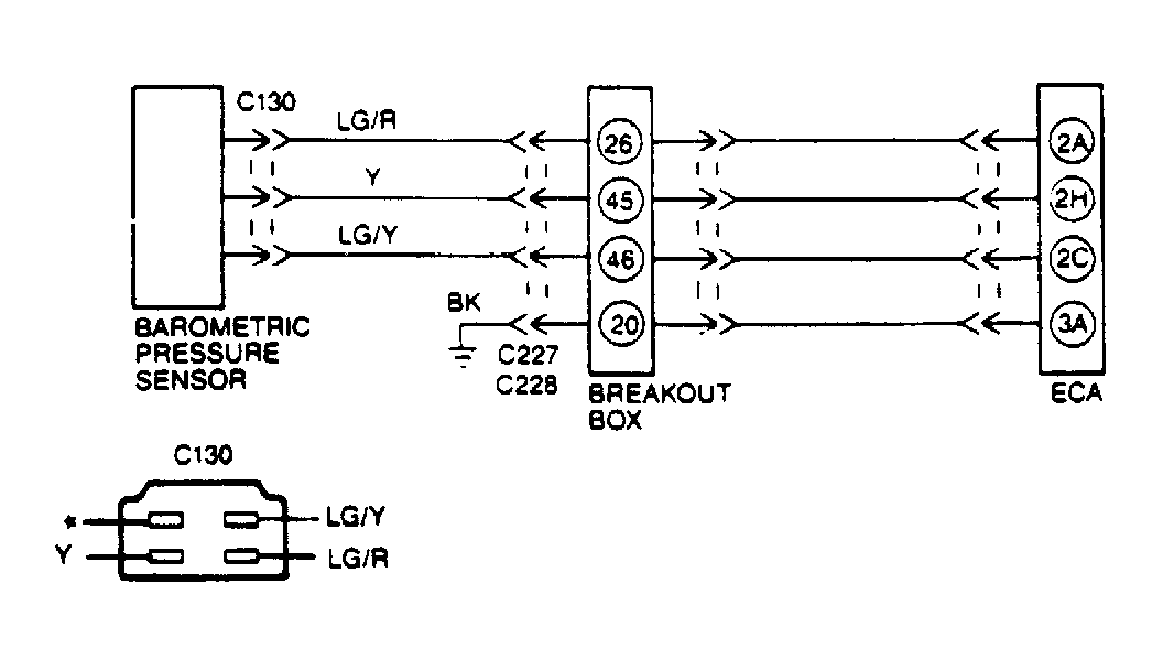
Fig 1: BP Sensor Circuits
G108495
NOTE: Enter this test only when a Code 14 is displayed during the QUICK TEST procedure or when directed here from another CIRCUIT TEST. To prevent replacement of good components, be aware that the following non-EEC items may be at fault: unusually high or low atmospheric barometer reading, blocked vacuum lines and basic mechanical engine components. This test is intended to diagnose only the following components: BP sensor, VREF, BP Signal and Signal Return harness circuits, and ECA.
  1. Checking System Integrity  - Visually check all wiring, harnesses, connectors and components for evidence of damage, overheating, shorting or looseness. If a fault is found, repair as necessary. If no faults are found, go to next step.
  2. Checking VREF & Signal Return Circuits  - Install breakout box and set VOM on 20-volt scale. Turn key on and measure voltage between test pins shown in VREF & SIGNAL RETURN VOLTAGE CHECKS  table. If all voltage readings are within specifications, go to next step. If readings are not within specifications, go to CIRCUIT TEST A3  , step 1).
    VREF & SIGNAL RETURN VOLTAGE CHECKS

    Test Pins No. Voltage
    26 & 20 4-6
    26 & 46 4-6
    20 & 46 0
  3. Checking BP Voltage Supply  - Install breakout box and set VOM on 20-volt scale. Turn key on and measure voltage between test pins No. 45 and 46. At sea level, voltage should be 3.5-4.5 volts. At high altitude (6500 ft.), voltage should be 2.5-3.5 volts. Connect a vacuum pump to BP sensor vent nipple, with 0 in. Hg (low vacuum), voltage should be 3.5-4.5 volts. With 30 in. Hg (high vacuum), voltage should be zero volts. If voltage is within specifications, BP sensor is okay, replace ECA. If voltage is not within specifications, go to next step.
  4. Checking Power at BP Sensor  - Set VOM on 20-volt scale. Turn key on. Perform and record the following voltage checks at the sensor connector. If all voltage readings are within specifications, go to next step. If not, repair wiring from BP sensor to ECA as necessary.
    BP SENSOR VOLTAGE CHECKS

    Test Circuits Volts
    "LG/R" wire to ground 4-6
    "LG/R" to "LG/Y" wire 4-6
    "LG/Y" wire to ground 0
  5. Checking Voltage at BP Sensor  - Set VOM on 20-volt scale and turn key on. Leave BP sensor connected and test by backprobing connector at sensor. Measure voltage between "Y" wire and ground. At sea level, voltage should be 3.5-4.5 volts. At high altitude (6500 ft.), voltage should be 2.5-3.5 volts. Connect a vacuum pump to BP sensor vent nipple, with zero in. Hg (low vacuum), voltage should be 3.5-4.5 volts. With 30 in. Hg (high vacuum), voltage should be zero volts. If voltage is within specifications, repair open circuit in "Y" wire between BP sensor and ECA. If voltage is not within specifications, replace BP sensor.